Deutsch
Zeit: 2025/08/11
Durchsuchen: 5,346

Abbildung 1. D Flip-Flop
D Flip-Flop, das auch als Daten oder verzögerte Flip-Flop bezeichnet wird, digitale Elektronik zur Speicherung und Steuerung von Binärinformationen verfügt über einen grundlegenden Baustein, insbesondere als einzelnes Bit (entweder 0 oder 1)) als Form der alten Logikschaltung. Die (d) Auslöser (d) Die Auslöser fängt die Taktkante genau auf, nimmt normalerweise zu (positiv) oder fällt auf die Kante (negativ) und den nächsten Taktzyklus, wodurch der Ausgang (q) stabilisiert wird.
Wenn das Taktsignal (CC) entweder eine hohe (wachsende Kante) oder eine hohe (fallende Kante) oder eine hohe (fallende Kante) aufweist, erfasst das D Flip-Flop den Wert seiner Dateneingabe (D). Wenn diese Uhr angegeben ist, wird der Wert von D der Ausgabe (q) angegeben.
Dieses "Muster- und Hold -" -Verhalten stellt sicher, dass nur der Ablauf mit der Uhr die Ausgabe beeinflusst.Dadurch müssen D Flip-Flops das digitale System synchron und geschätzt halten.
• D (Daten): Binäreingabe sollte gespeichert werden (entweder 0 oder 1).
• CLK (Uhr): Signalsteuerung beim Eingangsproben.
• Q (Ausgabe): Der gespeicherte Wert, der auf der Ausgabe angezeigt wird.
• 1-Bit-Speicher: speichert einen einzelnen Binärwert am Rand der nächsten gültigen Uhr, was ihn in Speicherzellen, Zähler und Register nützlich macht.
• Altersauslöser: Reagiert nur auf die Kanten der Uhr (nicht auf Ebene), wodurch die Wahrscheinlichkeit von Fehlern verringert wird, die durch Schall verursacht werden.
• Stabile Ausgabe: Sobald die Daten fehlgeschlagen sind, ist der Wert von Q der Wert - auch wenn D geändert wird - nicht am Rand der nächsten Uhr.
• Geschätzte Zeit: Eine kontrollierte, Uhr-zirkulierende Art und Weise, die es ideal macht, um komplexe Schaltkreise wie Zustandsmaschinen und Pipelines zu erstellen.
D Flip-Flops sind in vielen Variationen erhältlich, jeder spezifische Effizienzbedarf, Zeitanforderungen und Schaltungsumgebung. Wenn Sie die Hauptaufgabe zum Erfassen und Speichern eines einzelnen Bits am Rande der Uhr teilen, können interne Architektur und Verhalten unterschiedlich sein, um die Stabilität, Geschwindigkeit, Energieeffizienz oder Rausch -Toleranz zu erhöhen.

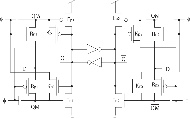
Abbildung 2. Master-Slive de Flip-Flop
In diesem klassischen Design gibt es zwei kaskadierte Schritte: einen Master -Riegel und einen Sklavenkundi. Der Master erfasst die Eingabe in einer Stufe der Uhr (normalerweise zunehmend die Kante), während der Sklave die Ausgabe in der gegenüberliegenden Stufe (fallendes Alter) aktualisiert. Konfigurationen werden normalerweise im System verwendet, das durch Taktsynchronisation mit Datenisolierung erforderlich ist.

Abbildung 3. TSPC (True Einzelphasenuhr) D Flip-Flop
TSPC Flip-Flop ist für digitale Hochgeschwindigkeits-Low-Power-Design angepasst. Es verwendet eine vereinfachte Architektur, die mit einer vollständig einphasigen Uhr funktioniert, die Takt-Skes reduziert und die Taktsignale von Nahrungsergänzungsmitteln entlastet. TTSPC-Flip-Flops sind besonders nützlich für das VLSI-Design und am häufigsten speziell Frequenzen. Gefunden in der Pipeline, wo schneller Betrieb und kurze Zeitkomplexität erforderlich sind.

Abbildung 4. Differential D Flip-Flop
Diese Variation verwendet unterschiedliche Signalübertragung, dh der komplementäre Eingang (D und D) akzeptiert und liefert häufig eine zusätzliche Ausgabe (Q und Q). Gewährleistet ein gutes Gut in Lärm- oder Hochfrequenzanwendungen.

Abbildung 5. Dynamisches D Flip-Flop
Dynamische Flip-Flop-Daten verwenden einen kapazitiven Ladungsspeicher anstelle eines stabilen Feedbacks, um ein stabiles Feedback aufrechtzuerhalten.Diese Designs verbrauchen weniger Fläche und bieten schnellere Schaltgeschwindigkeiten, aber es sind regelmäßige Taktübergänge erforderlich, um die Daten aufgrund einer Kondensatorentladung zu aktualisieren. Die CMOs arbeiten in der Schaltung, wie z. B. Speicherarray und einige Prozessorpipelines.
D Flip-Flop ist die Kante, dh nur die Eingangsmuster und aktualisiert die Ausgabe während des spezifischen Übergangs des Taktsignals, normalerweise die Kanten oder Kanten des Designs, die auf dem Design basieren.
|
Uhr (CLK) |
DE Input |
Frageausgabe (nächster Zustand) |
|
Steigende/fallende Kante |
0 |
0 |
|
Steigende/fallende Kante |
1 |
1 |
|
Keine Änderung |
X (Mach dir keine Sorgen) |
Vorherige Frage |
• Steigende/fallende Kante: Wenn die Taktkante auftritt (abhängig vom Flip-Flop-Design), ist der Wert, der im D-Eingang vorhanden ist Wurde gefangen und übertragen Cue -Ausgang.
• Taktkante ist nicht: Wenn es keinen Taktübergang gibt, behält Flip-Flop seinen Stromausgang bei Egal D Stellen Sie einen stabilen Betrieb bei Taktereignissen sicher.
Die genaue Auslösung hängt von der Ausführung eines bestimmten Flip-Flops, des Rossen (RE) oder des Sturzes (↓) ab.
Abbildung 6. D. D Flip-Flop wandelt Jake in Flip-Flop um
Jake Flip-Flow ist ein vielseitiges sequentielles Logikgerät, das (eingestellt) und K (Reset) mit zwei Eingängen einen weiten Arbeitsbereich im Vergleich zu einfachen De Flip-Flops ermöglichen. Jake kann Flip-Flop-Sets, zurücksetzen und umschalten, die es für Zähler, Frequenzabteilung und begrenzte Zustandsmaschine geeignet machen. Wenn im Flip-Flops-Design verfügbar ist, können Sie das Jake-Verhalten replizieren, indem Sie die Logik durchführen, indem Sie die J- und K-Eingabe in den äquivalenten D-Eingang konvertieren.
|
Was auch immer |
C |
Der nächste Staat (c) |
Verhalten |
|
0 |
0 |
Frage |
Halten |
|
0 |
1 |
0 |
Zurücksetzen |
|
1 |
0 |
1 |
Satz |
|
1 |
1 |
Frage |
Umschalten (invert) |

Abbildung 7. D Flip-Flop, um in SR Flip-Flop umzuwandeln
Der Flip-Flop SR (SET-SET) ist einer der einfachsten Typen, die zwei Steuereingänge haben: S (Set) und R (Reset). Auf diese Weise können Sie die Ausgabe auf dem rationalen Hoch (1) klar festlegen oder die Ausgabe auf der Logik niedrig (0) rezitieren. Als undefiniert angesehen.
SR Flip-Flops sind für die grundlegende Kontrolllogik nützlich, sind jedoch nicht immer als eigenständige Komponente in modernen digitalen ICs verfügbar. Durch die Anwendung der Logik der richtigen Kombination kann das SR-Flip-Flop-Verhalten jedoch mit D Flip-Flop regeneriert werden.
|
S (set) |
R (zurücksetzen) |
Der nächste Staat (c) |
Verhalten |
|
0 |
0 |
Frage |
Halten |
|
1 |
0 |
1 |
Satz |
|
0 |
1 |
0 |
Zurücksetzen |
|
1 |
1 |
- (ungültig) |
Unangenehm/illegal |

Abbildung 8. D. D Flip-Flop konvertiert in T Flip-Flop
T (Toggle) Flip-Flop ist eine sequentielle Schaltung, die seinen Ausgangszustand (1) mit jedem Uhrenimpuls (1) ändert. Die t ist niedrig (0), der Ausgang ist unverändert. T-FLIP-Flop wird üblicherweise in Binärzähler, Frequenzteilern, Frequenz und geschätztem Verhalten verwendet.
Obwohl Tee-Flip-Flops nicht immer als eigenständige Komponente in integrierten Schaltkreisen erhältlich sind, können sie mit D-Flip-Flops mit minimaler zusätzlicher Logik leicht hergestellt werden.
|
T (Umschütteln) |
Der nächste Staat (c) |
Verhalten |
|
0 |
Frage |
Halten |
|
1 |
Frage |
Umschalten (invert) |
Digital Integrated Circuits (IC) sind eine gefährliche Aufgabe, de Flip-Flops für die Entwicklung zu entwerfen, insbesondere für eine große Anzahl von Systemen wie Prozessor-, Speicher-Ayre- und Low-Power-Gerät. VV -Nutzung, Schaltgeschwindigkeit, Flächeneffizienz und Geräuschimmunität. Erhöht wurden viele fortschrittliche Designtechniken entstanden, um die Implementierung von D Flip-Flop zu optimieren.

Abbildung 9. CMO
Die CMOS-Technologie (Supplemental Metaloxid-Semiconductor) ist die am weitesten verbreitete Methode zur Implementierung von D Flip-Flops. CMOS-Flip-Flops kombinieren PMOS- und NMOS-Transistoren so, dass der geringere Energieverbrauch, eine hohe Schallwiderstand und eine starke Integrität des logischen Levels. Spannungs- und Taktfrequenzen funktionieren gut in einer Vielzahl von Frequenzen, was es sowohl für Hochgeschwindigkeits- als auch für batteriegekochte Systeme ideal macht.
Moderne Designs enthalten häufig spezifische Techniken, um die Verwendung dynamischer und stabiler Energie zu verringern:

Abbildung 10. Strom-Mode-Logik (CML)
• Current-Moded Logic (CML): Verwenden Sie kontinuierliche Stromquellen und unterschiedliche Signale, um Geschwindigkeitsschaltgeschwindigkeiten mit niedrigem Spannungsschwung zu erzielen, was bei hochfrequenten Anwendungen wie Serialisierern und Hochgeschwindigkeits-I/O-Os von Vorteil ist.

Abbildung 11. Adibentische Logik
• Adiabatische Logik: Allmählich recycelt die Energie während des Betriebsumschaltens durch Steuerung des Lades und der Entladung kapazitiver Knoten. Obwohl es für die Implementierung kompliziert ist, verringert es den dynamischen Energieverlust in Ultra-Low-Power-Schaltungen erheblich.
Aufstrebende nanoleektronische Technologien betonen die Grenzen des traditionellen De-Flip-Flop-Designs:

Abbildung 12. Single-Elektronen-Transistor (Sets)
• Ekal-Electron Transistor (Set): Durch die Kontrolle der Bewegung einzelner Elektronen ermöglicht es den sehr geringen Energiebetrieb an den Nanoskillabmessungen. Sie sind vielversprechend für zukünftige Anwendungen in Quantum Computing und ultra-lo-Kraft-eingebetteten Systemen.

Abbildung 13. Kohlenstoffnanoröhren (CNT)
• Kohlenstoffnanoröhren (CNT) und Finfetts: Bieten Sie eine bessere elektrostatische Kontrolle und eine geringe Leckage im Vergleich zu herkömmlichen Planern-MOSFETs, wodurch zum modernen Flip-Flop-Design im modernen Flip-Flop-Design beiträgt und zur Energieeffizienz beiträgt.
Silizium spielt eine wichtige Rolle bei der Gewährleistung der Zuverlässigkeit und Effizienz von D Flip-Flop in Silikon:

Abbildung 14. MTCMOS (Multi-Schwellenwert-CMOs)
• MTCMOS (Multi-Schwellenwert-CMO): Während der Leistung während des aktiven Betriebs integriert der Transistor den Transistor in eine unterschiedliche Schwellenspannung, um das Leckage während des Standby -Modus zu verringern. Diese Technik wird häufig in SOC mit geringer Leistung eingesetzt.

Abbildung 15. Takt -Tore
• Uhr Gatting: Eine gemeinsame Strategie, bei der das Taktsignal selektiv auf Flip-Flop deaktiviert ist, das nicht aktiv wechselt, wodurch der unnötige dynamische Energieverbrauch in einem großen Uhrenbereich verringert wird.

Abbildung 16. Wachringe
• Symmetrische Wege und Wachringe: Helfen Sie mit, den Takthimmel und die elektromagnetische Intervention (EMI) zu reduzieren und die Genauigkeit der Zeit in der dichten Layout und der Signalintegrität zu verbessern.
• Zuverlässiges Speicherelement: D Flip-Flops dienen als starke 1-Bit-Speichereinheiten und halten ihre Ausgabe, bis die Taktkante klar aktualisiert ist. Das ungefähre Verhalten macht sie ideal für die Einschreibung, Puffer- und Gedächtniszellen in einfachen und komplexen digitalen Systemen.
CH-Synchronisierungsdatenübergänge: Den Flip-Flops synchronisieren, dass Datenänderungen nur mit Taktimpulsen synonym sind. Es beseitigt das Risiko für Zeit- und Rassenbedingungen, wodurch sie mit CPU, FPGA und ASICS in synchronem Schaltungsdesign erforderlich sind.
Leistung niedriger Energiewahrscheinlichkeit: Mit effizienten Techniken wie CMOS-Technologie, Takt-Gating- oder Multi-Schwellenwert-Design können D Flip-Flops mit minimalen Stromauszeichnungen arbeiten, die es für batteriegekochtes und tragbares Gerät wie Ware, Sensoren und IoT-Knoten geeignet machen.
• Sicherheitsanwendung: D Flip-Blop-Hardware-Sicherheit, insbesondere bei physikalisch unverarbeiteten Aufgaben (PUFs), trägt dazu bei, einzigartige Geräteidentifikatoren für kryptografische Anwendungen in Schaltungselementen zu erstellen. Ihre Empfindlichkeit gegenüber Herstellungsvariationen ist nützlich für ihre Generation und den Manipulationsbeständigkeit.
• Zug und vielseitig: D Flip-Flops sind extrem skalierbar und in ein großes digitales System mit VLSI-Design (hochgrößter Integration). Ihre Einfachheit ermöglicht benutzerdefinierte Logikschaltungen, Speicherarme und einfache Duplikation in die Pipeline -Phase.
• Energieverbrauch: Obwohl effizientes Design-Existenz, können D Flip-Flops bei einer großen Anzahl von Verwendungen oder Betrieb bei hoher Taktfrequenz erhebliche Leistung verwenden. Ohne Techniken wie Takt-Gatting können sie in einem Strom-sensitiven System erheblich zum dynamischen Stromverlust beitragen.
• Klangempfindlichkeit: Insbesondere dynamische Flip-Flop-Design- oder fortschrittliche Verarbeitungsknoten (z. B. unter 10 nm), elektrische Schallschall-, Klebstoff- oder Spannungsschwankungen mit Flip-Flop können empfindlicher sein, was zu potenziellen falschen Datenstart- oder Timing-Fehlern führt.
• Prozessvariationen: In der Herstellung von Tiefsabikonen und Nanometermaßstücken können Verarbeitungsschwankungen (wie Transistorschwellenspannung oder Gateoxiddicke) Effizienzfurniere über die Chips hinweg verursachen, die Zeitränder, das Einkommen und die Zuverlässigkeit beeinflussen.
Handelsdesign-Kompromiss: Beim Entwerfen mit D Flip-Flop müssen Sie mehrere Komponenten ausgleichen: Geschwindigkeit, Fläche und Energieverbrauch. Die Optimierung beeinträchtigt häufig mit einer anderen, sorgfältigen Architektur- und Layoutplanung, insbesondere bei Hochleistungs- oder Ultra-LO-Kraftanwendungen.
• Zentrale Verarbeitungseinheiten (CPUs): D Flip-Flip-Registerdateien, Pipeline-Register und Anweisungen werden in der Dekodierungsphase verwendet. Sie synchronisieren Daten aus verschiedenen Stufen der Pipeline, um sicherzustellen, dass die Vorgänge in der richtigen Reihenfolge und Zeit implementiert werden.
• Speichereinheiten: In statischer RAM (SRAM) und anderen Speicherstrukturen verwendet, dienen als 1-Bit-Speicherkomponenten, um Binärwerte während des D Flip-Flop-Prozesss vorübergehend oder dauerhaft zu halten. Sie sind auch im Cache-Speicher und in der Hochgeschwindigkeitsdatenspeicherung und -versicherung zu finden.
• Mikrocontroller (MCUs): D Flip-Flops sind in die Kontrolllogik eingebettet und ermöglicht Statusübergänge, Aufgabenabschnitte und zeitkritische Aufgaben. Sie unterstützen den digitalen Signalprozessor, den Echtzeit-System und den System-On-Chip-Architektur (SOC-Architektursteuerung).
• Zähler und Timer: Wenn t Flip-Flop als Flip-Flop konfiguriert ist, werden D Flip-Flops gegründet, um Binärzähler, Auf-/Ab-Zähler und Uhrendrenner zu erzeugen. Diese Häufigkeit ist in Anwendungen wie Messungen, Reel-Time-Uhren und digitalen Timern erforderlich.
• Schaltregister: D Flip-Flops werden zusammen mit Ketten hergestellt, in denen die Verschiebungsregistrierung (Parallel-In/Serial-Out) in den digitalen Kommunikationsoberflächen für Datenbuffing, Bitmanipulation und seriell-zu-parallel-Verschiebungsregistrierung (SIPO) und Parallel-in/Serial-Out-Verschiebung erstellt wird.
• Signalsynchronisation: In Hochgeschwindigkeits- oder Seskoonus-Systemen werden D Flip-Flops als Synchronisatoren verwendet, um Signale mit lokalen Systemuhren auszurichten. Es verhindert die Metastabilität und gewährleistet eine zuverlässige Datenerfassung während der Übertragung in verschiedenen Takt -Kuppeln.
• Flip-Blop-Designs mit geringer Leistung: Spezielle D-Flip-Flop-Flop-Smartphones, Warenverkehrsmessgeräte und drahtlose Sensoren, die mit Clock-Gatting- oder Multi-Schwellenwert-CMOs (MTCMOs) entwickelt wurden, werden in batteriebetriebenen Geräten wie energiebegrenzter Umgebung verwendet.
• Digitale Uhren und Timing-Schaltungen: D Flip-Flop wird verwendet, um Frequenzteiler, Timing-Generatoren und Alarmsysteme zu erstellen, die eine Kernlogik in digitalen Taktschaltungen und sofortige Tracking-Anwendungen erzeugen.
• Begrenzte Zustandsmaschinen (FSMS): Aktualisieren Sie den aktuellen Status von D Flip-Flops-Speichern und FSM in Automatisierungssystem, Protokollcontrollern und Robotik. Sie ermöglichen technische Entscheidungen, logische Entscheidungen auf der Grundlage von Eingabesignalen und zuvor gespeicherten Zuständen zu treffen.
D Flip-Flops sind nur mehr als grundlegende Speicherkomponenten. Von dem eingebetteten System bis zum Hochgeschwindigkeitsprozessor können sie synchronisieren und schätzungsweise geschätzt werden. Ihre Einfachheit, Vielseitigkeit und Konsistenz mit fortgeschrittenen Techniken mit geringer Leistung machen sie sowohl die Grundbildung als auch die moderne VLSI-Entwicklung. Wenn Sie verstehen, wie und sich an die Flip-Flop-Typen anpassen und wie Sie sich an das Design anpassen können, können Sie ein effizienteres, zuverlässigeres und skalierbares digitales System für Anwendungen für die heutige wachsende Nachfrage erstellen.
D Flip-Flop-Triggers erfassen den Eingang nur am Rand einer bestimmten Uhr, während der de lach-sensitiven Eingang in der Ausgabe im Ausgang übergeht, bis das fähige Signal aktiv ist.
D Flip-Flop verfügt über einen einzelnen Eingang, wodurch sie einfach zu steuern und einfach in das synchrone Register integriert werden können. Der ungefähre Rand ihres Randverhaltens sorgt für saubere, zuverlässige Datenspeicher, CPU und Speichersystem.
Während D-Flip-Flops hauptsächlich für Synchronsysteme entwickelt wurden, können sie in der Sincronus-Schaltung für Aufgaben wie Datensynchronisation im Taktbereich verwendet werden. Es ist jedoch Vorsorge erforderlich, um die Metastabilität zu verhindern und die Integrität des Signals sicherzustellen.
Zeitunterschiede bei Taktsenkes, Taktsignale können Flip-Flop, Zeitfehler oder Datenbeschädigung zu einer Beschädigung führen.
Wenn sich die D -Auslöser am Rand der Uhr ändert, kann die Ausgabe aufgrund von Metastabilität unvorhersehbar sein.Der richtige Rand der Einrichtung und Haltestelle muss abgeschlossen sein, um einen stabilen und zuverlässigen Betrieb im digitalen Design sicherzustellen.
CAP CER 0.1UF 25V Y5V 1206
CAP TANT 0.68UF 10% 35V 1411
CONN RCPT HSG FMALE 37POS PNL MT
DIODE GEN PURP 200V 250MA SOD323
TRANS NPN 45V 0.1A SOT23-3
IC REG LIN POS ADJ 250MA 16SOIC
DC DC CONVERTER 12V 300W
IGBT Modules
CA3086M96 HARRIS
LD SOP8
UPD16813GT-E2 NEC
HIT QFP-80
CAP TANT 22UF 10% 25V 2917


