Deutsch
Zeit: 2025/10/20
Durchsuchen: 507

Der 74HC08 ist ein Hochgeschwindigkeits-CMOS-Logik-IC, der über vier unabhängige UND-Gatter mit zwei Eingängen verfügt.Er arbeitet mit Standard-CMOS-Logikpegeln, ist aber auch mit TTL-Logik kompatibel, wenn Pull-up-Widerstände verwendet werden.Jedes Gatter führt die logische UND-Funktion aus und erzeugt nur dann einen HIGH-Ausgang, wenn beide Eingänge HIGH sind.Dies macht das Gerät ideal für den Einsatz in digitalen Signalverarbeitungs-, Zeitsteuerungs- und Entscheidungsschaltungen, in denen präzise Logikoperationen erforderlich sind.
Der 74HC08 wurde als pinkompatibler Ersatz für den LS08 entwickelt und bietet eine höhere Geschwindigkeit und einen geringeren Stromverbrauch.Er arbeitet in einem weiten Spannungsbereich von 2 V bis 6 V und bietet eine hervorragende Störfestigkeit, wodurch er für Industrie- und Unterhaltungselektroniksysteme geeignet ist.Seine Zuverlässigkeit und Effizienz machen es zu einer Grundkomponente in vielen logikbasierten Designs.
Wenn Sie Interesse am Kauf des 74HC08 haben, kontaktieren Sie uns bitte bezüglich Preis und Verfügbarkeit.
|
Spezifikation |
74HCT08 |
74LS08 |
|
Logikfamilie |
Hochgeschwindigkeits-CMOS
mit TTL-Pegel-Eingängen |
Geringer Stromverbrauch
Schottky-TTL |
|
Anzahl der Tore |
4 (Quad 2-Eingang
UND-Tore) |
4 (Quad 2-Eingang
UND-Tore) |
|
Versorgungsspannung
(Vcc) |
4,5 V – 5,5 V |
Typischerweise 5 V |
|
Eingabelogik
Ebene |
TTL-Pegel
kompatibel |
Nur TTL-Logik |
|
Typisch
Ausbreitungsverzögerung |
~13 – 24 ns |
~20 – 33 ns |
|
Ausgabelaufwerk
Fähigkeit |
±4mA |
±0,4mA |
|
Leistung
Verbrauch |
Niedrig |
Höher als CMOS |
|
Stift
Konfiguration |
Wie LS08 |
Wie HC08 |
|
Schnittstelle zu
TTL |
Direkt
TTL-kompatibel |
Natives TTL
Familie |

Das Logikdiagramm des 74HC08 zeigt, wie seine vier unabhängigen UND-Gatter mit zwei Eingängen innerhalb des IC verbunden sind.Jedes Tor akzeptiert zwei Eingangssignale (A und B) und erzeugt einen Ausgang (Y).Der Ausgang wird nur HIGH (1), wenn beide Eingänge HIGH sind, entsprechend dem logischen Ausdruck Y = A × B oder Y = AB.
Die Pins 1 und 2 dienen als Eingänge für das erste UND-Gatter und erzeugen einen Ausgang an Pin 3. Ebenso fungieren die Pins 4–5, 9–10 und 12–13 als Eingangspaare für die verbleibenden drei Gatter, deren Ausgänge jeweils an den Pins 6, 8 und 11 liegen.Pin 14 ist mit Vcc (positive Versorgungsspannung) verbunden, während Pin 7 mit GND (Masse) verbunden ist.

|
Stift
NEIN. |
Symbol |
Beschreibung |
|
1 |
A1 |
Eingang A für Gate
1 |
|
2 |
B1 |
Eingang B für Gate
1 |
|
3 |
Y1 |
Ausgang von Gate 1
(A1 • B1) |
|
4 |
A2 |
Eingang A für Gate
2 |
|
5 |
B2 |
Eingang B für Gate
2 |
|
6 |
Y2 |
Ausgang von Gate 2
(A2 • B2) |
|
7 |
GND |
Masse (0V
Referenz) |
|
8 |
Y3 |
Ausgang von Gate 3
(A3 • B3) |
|
9 |
A3 |
Eingang A für Gate
3 |
|
10 |
B3 |
Eingang B für Gate
3 |
|
11 |
Y4 |
Ausgang von Gate 4
(A4 • B4) |
|
12 |
A4 |
Eingang A für Gate
4 |
|
13 |
B4 |
Eingang B für Gate
4 |
|
14 |
VCC |
Positives Angebot
Spannung (2V – 6V) |
|
Parameter |
Beschreibung |
Typisch/Standard
Wert |
Einheit |
|
IC-Name |
74HC08 |
– |
– |
|
Logikfunktion |
Vierfach-AND mit 2 Eingängen
Tor |
– |
– |
|
Technologie |
CMOS (High-Speed
Silizium-Gate-CMOS) |
– |
– |
|
Anzahl der Tore |
4 |
– |
– |
|
Anzahl der Eingänge
pro Tor |
2 |
– |
– |
|
Versorgungsspannung
(Vcc) |
Betriebsbereich |
2 bis 6 |
V |
|
Eingang hoch
Spannung (VIH)
|
Mindestens für
logisch „1“ |
3,15 (bei Vcc =
4,5V) |
V |
|
Eingang niedrig
Spannung (VIL) |
Maximal für
logisch „0“ |
1,35 (bei Vcc =
4,5V) |
V |
|
Ausgang hoch
Spannung (VOH) |
Typische Ausgabe
für logisch „1“ |
4,49 (bei Vcc =
5V, IO = −20 µA) |
V |
|
Ausgang niedrig
Spannung (VOL) |
Typische Ausgabe
für logisch „0“ |
0,001 (bei Vcc =
5V, IO = 20 µA) |
V |
|
Eingangsleckage
Strom (II) |
Maximaler Eingang
Leckage |
±0,1 |
µA |
|
Ausgabelaufwerk
Strom (IOH / IOL) |
Ausgangsstrom
Fähigkeit |
±4 |
mA |
|
Vermehrung
Verzögerung (tpd) |
Typische Verzögerung
von der Eingabe bis zur Ausgabe |
8 ns (bei Vcc =
5V, CL = 50pF) |
ns |
|
Ruheversorgung
Strom (ICC) |
Typische statische Aufladung
aktuell |
2 |
µA |
|
Leistung
Verlustkapazität (Cpd) |
Typische Dynamik
Verlustleistung |
25 |
pF |
|
Betrieb
Temperaturbereich |
74HC08 |
−55 bis +125 |
°C |
|
Pakettypen |
DIP-14, SOIC-14,
TSSOP-14, SSOP-14 |
– |
– |
|
Logikebene
Kompatibilität |
TTL und CMOS
kompatibel |
– |
– |
|
Pin-Anzahl |
14 |
– |
– |
|
Symbol |
Parameter |
Wert |
Einheit |
|
VCC |
Gleichstromversorgung
Spannung (bezogen auf GND) |
−0,5 bis +7,0 |
V |
|
Vin |
DC-Eingangsspannung
(Bezogen auf GND) |
−0,5 bis VCC +
0,5 |
V |
|
Vout |
DC-Ausgang
Spannung (bezogen auf GND) |
−0,5 bis VCC +
0,5 |
V |
|
Iin |
DC-Eingang
Strom pro Pin |
±20 |
mA |
|
Iout |
DC-Ausgang
Strom pro Pin |
±25 |
mA |
|
ICHCC |
Gleichstromversorgung
Strom-, VCC- und GND-Pins |
±50 |
mA |
|
PD |
Leistung
Dissipation in ruhender Luft – SOIC-Paket |
500 |
mW |
| - |
Leistung
Dissipation in ruhender Luft – TSSOP-Paket |
450 |
mW |
|
Tstg |
Lagerung
Temperatur |
−65 bis +150 |
°C |
|
TL |
Bleitemperatur
(1 mm vom Gehäuse für 10 Sekunden, SOIC oder TSSOP) |
260 |
°C |
• Ausgangsantriebsfähigkeit: 10 LSTTL-Lasten – Kann bis zu 10 Schottky-TTL-Eingänge mit geringem Stromverbrauch ansteuern, wodurch es für Mixed-Logic-Designs geeignet ist.
• Gibt direkte Schnittstelle zu CMOS, NMOS und TTL aus - Gewährleistet eine nahtlose Verbindung zwischen verschiedenen Logikfamilien, ohne dass Levelshifter erforderlich sind.
• Großer Betriebsspannungsbereich: 2,0 V bis 6,0 V - Flexibler Versorgungsbereich, geeignet sowohl für Niederspannungs- als auch für Standard-5-V-Systeme.
• Niedriger Eingangsstrom: 1,0 µA (Maximum) – Minimiert den Leistungsverlust und sorgt so für Energieeffizienz und ein stabiles Eingangsverhalten.
• Hohe Störfestigkeit (typisch für CMOS-Geräte) - Beständig gegen elektrisches Rauschen und gewährleistet so einen zuverlässigen Logikbetrieb auch in lauten Umgebungen.
• Konform mit JEDEC-Standard Nr. 7A - Erfüllt branchenübliche Spezifikationen für Austauschbarkeit und Zuverlässigkeit.
• ESD-Schutz: HBM > 2000 V, Maschinenmodell > 200 V - Bietet hervorragenden Schutz vor elektrostatischer Entladung und erhöht so die Haltbarkeit des Geräts.
• Chip-Komplexität: 24 FETs oder 6 äquivalente Gates – Stellt die effiziente interne Transistorstruktur für Hochgeschwindigkeits-Logikleistung dar.
• Schnelle Schaltgeschwindigkeit (typischer tpd ≈ 10 ns) - Ermöglicht eine schnelle Reaktion in Hochgeschwindigkeits-Digitalschaltungen und Logiksteuerungsanwendungen.
• Geringer Stromverbrauch - Typisches CMOS-Designmerkmal, das den Gesamtenergieverbrauch in großen Systemen reduziert.
• Bleifrei und RoHS-konform - Umweltfreundlich und sicher für moderne Fertigungsstandards.
• Verfügbar in mehreren Pakettypen (DIP, SOIC, TSSOP) - Bietet Designflexibilität für Durchsteck- und Oberflächenmontage-Schaltungsbaugruppen.
• Digitale Logikschaltungen - Wird zur Durchführung grundlegender UND-Logikoperationen in kombinatorischen und sequentiellen Logiksystemen verwendet und bildet die Grundlage für digitale Entscheidungsschaltungen.
• Signalsteuerung und Datenrouting - Steuert den Datenfluss zwischen Komponenten, indem es Signale nur dann passieren lässt, wenn bestimmte Bedingungen erfüllt sind.
• Timing und Taktimpulserzeugung - Kombiniert mehrere Takt- oder Steuersignale, um das Timing in digitalen Systemen wie Mikrocontrollern und Zählern zu synchronisieren.
• Arithmetische und logische Einheiten (ALUs) - Spielt eine Rolle bei der Durchführung logischer Operationen (UND-Funktionen) innerhalb arithmetischer Verarbeitungseinheiten.
• Mikroprozessor- und Mikrocontroller-Schnittstellen – Wird bei der Adressdekodierung, Steuersignalerzeugung und bedingten Logikfunktionen in prozessorbasierten Systemen verwendet.
• Industrielle Automatisierungssysteme - Hilft bei der Implementierung logikbasierter Steuerungsaufgaben wie Motoraktivierung, Relaisschaltung und Sicherheitsverriegelungen.
• Unterhaltungselektronik - Kommt häufig in Audiosystemen, Fernbedienungen und intelligenten Geräten vor, die digitale Logikverarbeitung verwenden.
• Eingebettete Systeme und IoT-Geräte - Bietet zuverlässige Logiksteuerung in kompakten, stromsparenden Embedded-Designs.

Die Funktionstabelle des 74HC08 veranschaulicht, wie der Ausgang (Y) jedes UND-Gatters von den Eingangssignalen (A und B) abhängt.Jedes Gatter hat zwei Eingänge und der Ausgang wird durch die logische UND-Beziehung bestimmt.Wenn beide Eingänge A und B LOW (L) sind, ist auch der Ausgang Y LOW.Wenn ein Eingang HIGH (H) und der andere LOW ist, bleibt der Ausgang LOW.Der Ausgang wird nur HIGH, wenn A und B gleichzeitig HIGH sind.
Diese Tabelle zeigt deutlich die Grundregel der UND-Logik: Der Ausgang ist nur dann HIGH, wenn alle Bedingungen erfüllt sind, was bedeutet, dass beide Eingänge ein logisches HIGH-Signal führen müssen.Dieses Verhalten macht den 74HC08 nützlich in Entscheidungs- und Steuerkreisen, in denen mehrere Signale wahr sein müssen, damit eine Aktion ausgeführt wird.

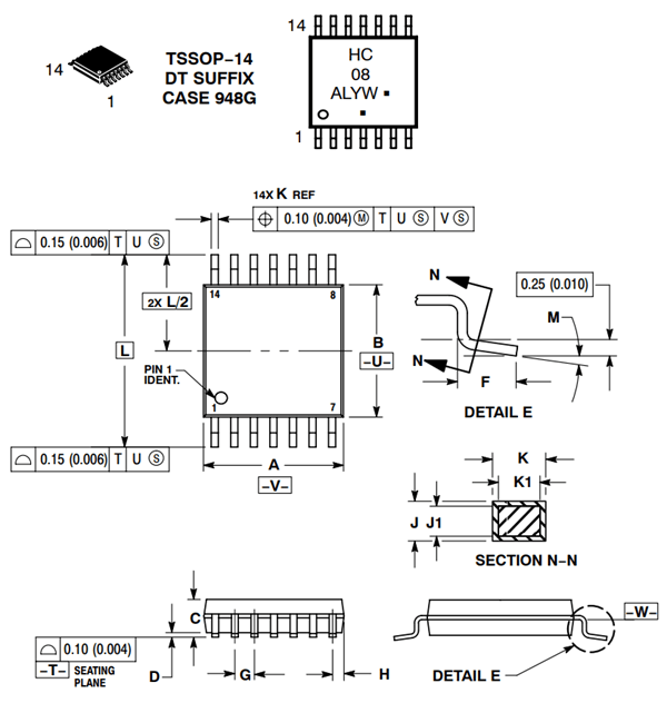
|
Dimension |
Millimeter
(Min.) |
Millimeter
(Max) |
Zoll
(Min.) |
Zoll
(Max) |
|
A |
4,90 |
5.10 |
0,193 |
0,200 |
|
B |
4.30 |
4,50 |
0,169 |
0,177 |
|
C |
— |
1,20 |
— |
0,047 |
|
D |
0,05 |
0,15 |
0,002 |
0,006 |
|
F |
0,50 |
0,75 |
0,020 |
0,030 |
|
G |
0,65 (BSC) |
— |
0,026 (BSC) |
— |
|
H |
0,50 |
0,60 |
0,020 |
0,024 |
|
J |
0,09 |
0,20 |
0,004 |
0,008 |
|
J1 |
0,05 |
0,16 |
0,004 |
0,006 |
|
K |
0,19 |
0,30 |
0,007 |
0,012 |
|
K1 |
0,19 |
0,25 |
0,007 |
0,010 |
|
L |
6,40 (BSC) |
— |
0,252 (BSC) |
— |
|
M |
0° |
8° |
0° |
8° |
• Hochgeschwindigkeitsbetrieb: Als Teil der HC-Familie (High-Speed CMOS) bietet der 74HC08 schnellere Schaltgeschwindigkeiten im Vergleich zu Standard-CMOS-Geräten.
• Geringer Stromverbrauch: Das CMOS-Design gewährleistet einen minimalen Stromverbrauch und eignet sich daher für batteriebetriebene und energieeffiziente Systeme.
• Großer Betriebsspannungsbereich (2 V–6 V): Der flexible Versorgungsbereich ermöglicht die Kompatibilität mit 3,3 V- und 5 V-Logiksystemen.
• Hohe Störfestigkeit: Seine CMOS-Architektur widersteht elektrischen Störungen und gewährleistet so eine stabile und zuverlässige Leistung in lauten Umgebungen.
• TTL-Kompatibilität: Eingänge können direkt mit TTL-Logikschaltungen verbunden werden, wenn Pull-up-Widerstände verwendet werden, was die Vielseitigkeit der Schaltung erhöht.
• Mehrere Gehäuseoptionen: Verfügbar in DIP, SOIC und TSSOP, wodurch es sowohl für Prototyping als auch für die Produktion geeignet ist.
• Begrenzte Antriebsfähigkeit: Obwohl es bis zu 10 LSTTL-Lasten verarbeiten kann, ist sein Ausgangsstrom niedriger als der von TTL-Geräten, wodurch Anwendungen mit hoher Last eingeschränkt werden.
• Statisch empfindliches Gerät: Erfordert eine sorgfältige Handhabung, um Schäden durch elektrostatische Entladung (ESD) zu vermeiden.
• Ausbreitungsverzögerung: Die Verzögerung (~10 ns) ist zwar schnell, kann jedoch langsamer sein als bei neueren Logikfamilien wie der AC- oder LVC-Serie.
• Erfordert eine stabile Stromversorgung: Spannungsschwankungen können Logikfehler verursachen, da CMOS-Geräte empfindlich auf Stromrauschen reagieren.
ON Semiconductor (onsemi) ist ein weltweit führendes Unternehmen in der Halbleiterfertigung mit fortschrittlichen Fähigkeiten in den Bereichen CMOS-Logik, Energiemanagement und Mixed-Signal-Technologien.Das Unternehmen betreibt weltweit mehrere Fertigungs- und Montageanlagen und gewährleistet so eine qualitativ hochwertige und zuverlässige Produktion.Seine starke Design-, Test- und Automatisierungsinfrastruktur unterstützt die effiziente Herstellung von Geräten wie dem 74HC08 und bietet konsistente Leistung, Energieeffizienz und Haltbarkeit sowohl für Industrie- als auch Unterhaltungselektronikanwendungen.

Der Schaltplan zeigt, wie das 74HC08 Quad 2-Input AND Gate zur Steuerung einer LED basierend auf mehreren Eingangsbedingungen verwendet werden kann.Die Drucktasten fungieren als Eingangsschalter und sind jeweils über 1-kΩ-Widerstände verbunden, um die richtigen Logikpegel sicherzustellen und den Strom zu begrenzen.Der 74HC08 empfängt diese Signale und führt logische UND-Verknüpfungen durch – nur wenn beide Eingänge eines Gatters HIGH (gedrückt) sind, geht der Ausgang auf HIGH.Dieser Ausgang wird dann in einen anderen IC (74HC14 Schmitt-Trigger) eingespeist, der das Signal stabilisiert und formt, bevor er die LED über einen 330-Ω-Widerstand zur Strombegrenzung ansteuert.
Wenn alle logischen Bedingungen erfüllt sind, leuchtet die LED auf und zeigt damit eine echte UND-Ausgabe an.Dieser Aufbau veranschaulicht eindrucksvoll, wie der 74HC08 bei Logiktests, Signalverifizierung und Steuerschaltungen eingesetzt werden kann, bei denen präzise logische Kombinationen eine visuelle oder funktionale Ausgabe auslösen.
Bei der Fehlersuche in 74HC08-basierten Schaltkreisen beginnen Sie mit der Überprüfung der Stromversorgungsanschlüsse – stellen Sie sicher, dass der IC eine stabile Spannung zwischen 2 V und 6 V (typischerweise 5 V) erhält, wobei Pin 14 mit Vcc und Pin 7 mit Masse verbunden ist.Überprüfen Sie als Nächstes die Eingangslogikpegel mit einem Multimeter oder einer Logiksonde.Beide Eingänge müssen HIGH sein, um einen HIGH-Ausgang zu erzeugen.Wenn der Ausgang falsch ist, überprüfen Sie, ob die Verdrahtung der Ein- und Ausgänge den richtigen Pins gemäß Datenblatt entspricht.Überprüfen Sie die Pull-up- oder Pull-down-Widerstände auf korrekte Werte, um schwebende Eingänge zu vermeiden, die zu fehlerhaftem Verhalten führen können.Überprüfen Sie außerdem, ob lose Verbindungen, Kurzschlüsse oder beschädigte Komponenten vorliegen, insbesondere durch statische Entladung.Wenn der IC überhitzt oder die Ausgänge schwanken, ersetzen Sie ihn und testen Sie ihn erneut, da CMOS-Geräte wie der 74HC08 empfindlich auf ESD und Überspannung reagieren.
Befolgen Sie beim Umgang mit dem 74HC08 geeignete Sicherheitsmaßnahmen, um sowohl die persönliche Sicherheit als auch den Schutz des IC zu gewährleisten.Verwenden Sie immer ein antistatisches Armband oder eine geerdete Matte, um Schäden durch elektrostatische Entladung (ESD) zu vermeiden, da CMOS-Komponenten sehr empfindlich auf statische Elektrizität reagieren.Vermeiden Sie es, die IC-Pins direkt zu berühren, da Öle oder Feuchtigkeit von den Fingern zu Korrosion oder schlechtem Kontakt führen können.Stellen Sie sicher, dass die Stromversorgung ausgeschaltet ist, bevor Sie den IC in einen Stromkreis einsetzen oder daraus entfernen, um Kurzschlüsse oder Spannungsspitzen zu vermeiden.Verwenden Sie einen temperaturgesteuerten Lötkolben (unter 350 °C) und begrenzen Sie die Kontaktzeit, um eine Überhitzung des Chips während des Lötens zu vermeiden.Überprüfen Sie die Pin-Ausrichtung und Spannungspolarität noch einmal, bevor Sie den Stromkreis mit Strom versorgen, um Verpolungen zu vermeiden.Bewahren Sie den 74HC08 bei Nichtgebrauch in einer antistatischen Verpackung auf und schützen Sie ihn vor übermäßiger Hitze, Feuchtigkeit und mechanischer Beanspruchung.
Der 74HC08 wird mithilfe der Hochgeschwindigkeits-CMOS-Technologie (Complementary Metal-Oxide-Semiconductor) hergestellt, die einen geringen Stromverbrauch und eine schnelle Schaltleistung bietet.Der Prozess beginnt mit der Herstellung eines Siliziumwafers, bei dem dünne Schichten aus Halbleitermaterialien abgeschieden und mithilfe der Fotolithographie strukturiert werden.Durch Dotierung werden bestimmte Bereiche des Wafers mit Verunreinigungen infundiert, um p-Typ- und n-Typ-Bereiche zu bilden, die die Transistoren definieren.
Als nächstes werden Metallverbindungen hinzugefügt, um die Transistoren zu verbinden und die vier internen UND-Gatter mit 2 Eingängen zu bilden.Anschließend werden diese Verbindungen isoliert und mit Schutzschichten abgedichtet, um eine Kontamination zu verhindern.Nach der Herstellung wird der Wafer in einzelne Chips (Chips) geschnitten, die jeweils mit Leiterrahmen verbunden und in einer schützenden Kunststoffverpackung wie DIP, SOIC oder TSSOP eingeschlossen werden.Abschließend wird jeder IC einer Prüfung und Qualitätsprüfung unterzogen, um die Einhaltung der JEDEC-Standards für elektrische Leistung, ESD-Toleranz und Zuverlässigkeit sicherzustellen.
Der 74HC08 ist eine zuverlässige und effiziente Logiklösung für moderne digitale Systeme.Seine Kombination aus hoher Geschwindigkeit, geringem Stromverbrauch und breiter Spannungskompatibilität ermöglicht eine einwandfreie Leistung in einer Vielzahl elektronischer Anwendungen.Von einfachen Steuerschaltungen bis hin zu komplexen Logikarchitekturen bietet es einen konsistenten und präzisen Betrieb und bleibt dabei kostengünstig und einfach zu implementieren.Der von ON Semiconductor hergestellte 74HC08 verkörpert Zuverlässigkeit und Innovation im CMOS-Design und gewährleistet langfristige Leistung und Designflexibilität.
Der 74HC08 ist ein Hochgeschwindigkeits-CMOS-Logik-IC, der vier unabhängige UND-Gatter mit zwei Eingängen enthält, die jeweils für die effiziente Durchführung logischer UND-Operationen in digitalen Schaltkreisen ausgelegt sind.
Seine Hauptfunktion besteht darin, nur dann ein HIGH-Signal auszugeben, wenn beide Eingangssignale HIGH sind, was ihn ideal für Logiksteuerungs-, Datenverarbeitungs- und Timing-Anwendungen macht.
Der 74HC08 arbeitet in einem Spannungsbereich von 2 V bis 6 V und ist somit sowohl mit Niederspannungs- als auch mit Standard-5-V-Digitalsystemen kompatibel.
Ja, der 74HC08 kann mit TTL-Logik verbunden werden, wenn seinen Eingängen Pull-up-Widerstände hinzugefügt werden, wodurch eine ordnungsgemäße Spannungspegelkompatibilität gewährleistet wird.
Der 74HC08 nutzt die CMOS-Technologie und bietet so eine höhere Geschwindigkeit und einen geringeren Stromverbrauch, während der 74LS08 die TTL-Technologie nutzt, die mehr Strom verbraucht, aber einen stärkeren Ausgangsantrieb bietet.
CAP CER 8.2PF 50V NP0 0603
CAP TANT 3.3UF 25V 10% 1206
IC AFE 1 CHAN 17BIT 16SOIC
IC MCU 32BIT 1MB FLASH 144LQFP
IC REG LINEAR 3.3V 250MA SOT23-5
FS6370-01 AMIS
PMC QFP
AUDIO CLICKLESS SWITCH
MICRON BGA
SANYO QFP
IC MCU 32BIT 512KB FLASH 48VQFN
CAP CER 680PF 25V X7R 0603
vorrätig: 111

