Deutsch
Zeit: 2025/10/21
Durchsuchen: 618

Der LM338 von Texas Instrument ist ein einstellbarer 3-poliger positiver Spannungsregler, der einen Ausgangsstrom von über 5 A über einen Spannungsbereich von 1,2 V bis 37 V liefern kann.Es bietet eine außergewöhnliche Leitungs- und Lastregulierung und eignet sich daher für professionelle und industrielle Anwendungen wie Laborbedarf, Audiosysteme und Automatisierungssteuerungen.Da zur Einstellung der Ausgangsspannung nur zwei externe Widerstände erforderlich sind, bietet der LM338 Einfachheit ohne Kompromisse bei Genauigkeit oder Leistung.
Ein Hauptmerkmal des LM338 ist seine zeitabhängige Strombegrenzung, die kurzzeitig Spitzenströme von bis zu 12 A ermöglicht – perfekt für die Bewältigung transienter Lasten und einen reibungslosen Start unter Volllast.Es verfügt außerdem über einen thermischen Überlast- und Sicherheitsbereichsschutz, der eine langfristige Zuverlässigkeit gewährleistet, selbst wenn der Einstellstift (ADJ) nicht angeschlossen ist.
Wenn Sie Interesse am Kauf des LM338 haben, kontaktieren Sie uns bitte bezüglich Preis und Verfügbarkeit.
|
Äquivalent
Modell |
Hersteller |
Ausgabe
Spannungsbereich |
Max
Ausgangsstrom |
Typ |
|
LM350 |
Texas
Instrumente / STMicroelectronics |
1,25 V bis 33 V |
3A |
Einstellbar
Linearregler |
|
LM317 |
Texas
Instrumente / ON Semiconductor |
1,25 V bis 37 V |
1,5A |
Einstellbar
Linearregler |
|
LT1083 |
Analoge Geräte |
1,25 V bis 30 V |
7,5A |
Geringer Dropout
Linearregler |
|
LT1084 |
Analoge Geräte |
1,25 V bis 30 V |
5A |
Geringer Dropout
Linearregler |
|
LM396K |
National
Halbleiter / TI |
1,2V bis 15V |
10A |
Einstellbar
Linearregler |
|
MIC29302 |
Mikrochip
Technologie |
1,24 V bis 15 V |
3A |
Geringer Dropout
Regler |
|
UA78H05 |
Texas
Instrumente |
Feste 5V |
5A |
Fest linear
Regler |
|
L78S12CV |
STMicroelectronics |
Feste 12V |
2A |
Fest linear
Regler |
Der LM338 bietet eine einstellbare Ausgangsspannung von 1,2 V bis 37 V und bietet so eine große Flexibilität für verschiedene elektronische Systeme.Dieser große Bereich ermöglicht den Einsatz in Präzisionsnetzteilen, Testgeräten und verschiedenen Versuchsaufbauten.Die Beherrschung der Wärmeableitung bei höheren Spannungsausgängen ist für die Aufrechterhaltung der Stabilität und die Verlängerung der Komponentenlebensdauer von entscheidender Bedeutung.
Mit einem maximalen Ausgangsstrom von 5 A unterstützt der LM338 stromintensive Anwendungen wie Motorsteuerung, Leistungsverstärker und Gleichstromversorgungen.Seine hohe Stromstärke sorgt für eine effiziente Energiebereitstellung bei gleichzeitig gleichbleibender Systemleistung.Für optimale Zuverlässigkeit wird bei kontinuierlichem Hochlastbetrieb dringend ein geeigneter Kühlkörper oder ein geeignetes Kühlsystem empfohlen.
Mit einer Dropout-Spannung von etwa 1,5 V arbeitet der LM338 auch dann effizient, wenn die Differenz zwischen Eingangs- und Ausgangsspannung gering ist.Dies verbessert die Eignung für batteriebetriebene und energieempfindliche Systeme, verlängert die Batterielebensdauer und fördert eine bessere Energienutzung.
Der LM338 bietet ein typisches Welligkeitsunterdrückungsverhältnis von 80 dB und sorgt so für eine saubere, stabile Spannungsausgabe auch in lauten Umgebungen.Dieses Leistungsniveau minimiert Störungen in Audioschaltkreisen, Signalverarbeitungssystemen und Messgeräten, wo die Rauschunterdrückung für die Signalgenauigkeit und Systemzuverlässigkeit entscheidend ist.
Der LM338 wurde für den Einsatz unter verschiedenen Umgebungsbedingungen entwickelt und sorgt für einen zuverlässigen Betrieb von 0 °C bis 125 °C.Seine große thermische Toleranz gewährleistet Zuverlässigkeit, egal ob in Industrieumgebungen, Laborgeräten oder temperaturempfindlichen Anwendungen.Diese Anpassungsfähigkeit unterstreicht die Stärke des Reglers bei der Aufrechterhaltung der Konsistenz bei thermischen Schwankungen.
Der LM338 ist typischerweise in einem TO-220-Gehäuse untergebracht und kombiniert Kompaktheit mit hervorragender Wärmeableitung.Sein Design ermöglicht eine einfache Integration in Leiterplatten und mechanische Baugruppen und sorgt gleichzeitig für eine solide elektrische Konnektivität.Ingenieure verwenden häufig geeignete Montage- und Wärmeleitpads, um die Leistung und Langlebigkeit zu maximieren.
• Leitungsregelung: 0,005 %/V (typisch)
• Lastregelung: 0,1 % (typisch)
Diese Regulierungswerte garantieren eine konstante Ausgangsspannung trotz Eingangsschwankungen oder Laständerungen.Diese Präzision macht den LM338 ideal für empfindliche analoge Systeme, Kommunikationsschaltungen und Laborinstrumente, bei denen Spannungsstabilität von entscheidender Bedeutung ist.
Der LM338 bietet eine Referenzspannungstoleranz von ±1 % und eine hervorragende Wärmeregulierung von 0,002 %/W, sodass die Genauigkeit auch unter wechselnden Wärmebedingungen erhalten bleibt.Diese Merkmale tragen zu einer verbesserten Langzeitstabilität und Genauigkeit im Dauerbetrieb bei.
Sicherheit ist ein zentrales Designprinzip des LM338.Es umfasst eine interne Strombegrenzung, eine thermische Abschaltung und einen Schutz im sicheren Bereich zum Schutz vor Überlast, Kurzschlüssen und übermäßiger Verlustleistung.Diese Schutzmechanismen ermöglichen es dem Regler, die Zuverlässigkeit aufrechtzuerhalten und dauerhafte Schäden im Fehlerfall zu verhindern.

Der Spannungsregler LM338 hält die Ausgangsspannung konstant, auch wenn sich der Eingang oder die Last ändert.Darin steuert ein Big-Pass-Transistor, wie viel Strom vom Eingang zum Ausgang fließt.Dieser Teil wird von einem Steuerkreis gesteuert, der ihn anpasst, um die Spannung auf dem richtigen Niveau zu halten.
Die Spannungsreferenz und der Fehlerverstärker tragen dazu bei, dass der Regler präzise bleibt.Eine Zenerdiode liefert eine feste Referenzspannung von 6,3 V, während andere Transistoren diese mit der Rückmeldung vom Ausgang vergleichen.Wenn sich die Spannung ändert, korrigiert der Verstärker dies, indem er den Durchgangstransistor anpasst.
Der LM338 verfügt außerdem über Schutzteile, um Schäden zu verhindern.Ein kleiner Widerstand und Transistoren überwachen den Ausgangsstrom.Wenn es zu hoch wird, begrenzen sie es.Ein Temperatursensor unterbricht außerdem die Stromversorgung, wenn der Chip zu heiß wird.
Mit dem ADJ-Pin können Sie die Ausgangsspannung mithilfe von zwei Widerständen einstellen.Dies macht den LM338 für viele Schaltkreise nützlich.Kleine Kondensatoren im Inneren des Chips halten ihn stabil und verhindern, dass er schwingt.

Der Spannungsregler LM338 ist in zwei gängigen Gehäusetypen erhältlich: dem 2-poligen TO-CAN (NDS-Gehäuse) und dem 3-poligen TO-220 (NDE-Gehäuse).
Am IN-Pin wird die ungeregelte Eingangsspannung zugeführt.Es ist wichtig sicherzustellen, dass die Eingangsspannung mindestens um die Dropout-Marge (normalerweise etwa 1,5 V) höher als die gewünschte Ausgangsspannung ist.Um die Stabilität zu verbessern, schalten Ingenieure häufig einen Bypass-Kondensator zwischen Eingang und Masse, um Rauschen zu minimieren und Schwingungen zu verhindern.
Der OUT-Pin stellt den geregelten Spannungsausgang bereit.Es liefert eine stabile Gleichspannung an die Last, die je nach Konfiguration angepasst werden kann.Das Hinzufügen eines Kondensators zwischen Ausgang und Masse verbessert das Einschwingverhalten und reduziert die Ausgangswelligkeit – ein entscheidender Faktor bei Anwendungen, die eine saubere und konstante Spannung erfordern.
Der ADJ-Pin ermöglicht eine präzise Einstellung der Ausgangsspannung über ein externes Widerstandsnetzwerk.Diese Konfiguration ermöglicht Flexibilität, da der Ausgang abhängig von den verwendeten Widerstandswerten irgendwo zwischen 1,2 V und 37 V eingestellt werden kann.Die richtige Platzierung von Widerständen und Erdung gewährleistet eine genaue Regelung und Langzeitstabilität.
Um mit der Verwendung des einstellbaren Spannungsreglers LM338 zu beginnen, ist es wichtig zu verstehen, wie er innerhalb eines Stromkreises angeschlossen wird und funktioniert.Dieses Gerät kann einen Ausgangsstrom von bis zu 5 A liefern und ermöglicht eine einstellbare Ausgangsspannung von 1,2 V bis 37 V, was es äußerst flexibel für Heimwerker- und professionelle Anwendungen wie Netzteile und Batterieladegeräte macht.
• Verbinden Sie den IN-Pin (Eingang): Verbinden Sie diesen Pin mit der ungeregelten DC-Eingangsquelle.Die Eingangsspannung muss mindestens 3 V höher sein als die gewünschte Ausgangsspannung, um eine ordnungsgemäße Regelung aufrechtzuerhalten.Das Hinzufügen eines 0,1-µF-Kondensators in der Nähe des Eingangspins hilft, Schwingungen zu verhindern und die Stabilität zu verbessern.
• Verbinden Sie den OUT-Pin (Ausgang): Der OUT-Pin liefert den geregelten Gleichstromausgang an Ihre Last oder Ihren Stromkreis.Um das Einschwingverhalten zu verbessern und die Welligkeit zu reduzieren, schließen Sie einen 1µF- bis 10µF-Kondensator zwischen den OUT- und Masse-Pins an.
• Passen Sie die Ausgangsspannung an (ADJ-Pin): Mit dem ADJ-Pin können Sie die Ausgangsspannung mithilfe von zwei Widerständen einstellen.Typischerweise wird ein Widerstand (R1) zwischen OUT und ADJ angeschlossen, und ein weiterer Widerstand (R2) wird zwischen ADJ und Masse angeschlossen.Die Ausgangsspannung lässt sich nach folgender Formel berechnen:

wo 𝐼𝐴𝐷𝐽 ist normalerweise sehr klein (ca. 50 µA).
• Fügen Sie für Stabilität Kondensatoren hinzu: Um einen reibungslosen Betrieb zu gewährleisten, verwenden Sie einen Bypass-Kondensator (normalerweise 10 µF) zwischen den Ausgangs- und Einstellstiften.Dies verbessert die Welligkeitsunterdrückung und erhöht die Gesamtstabilität bei wechselnden Lasten.
Der Spannungsregler LM338 ist für seine starke und stabile Leistung bekannt, aber die Wärmekontrolle ist der Schlüssel zu seiner Sicherheit und Effizienz.Der Einbau eines geeigneten Kühlkörpers oder Lüfters trägt dazu bei, überschüssige Wärme abzuleiten, insbesondere bei hohen Strömen.Eine regelmäßige Überprüfung der Temperatur während des Betriebs kann einer thermischen Abschaltung vorbeugen.Eine ordnungsgemäße Temperaturregelung verlängert nicht nur die Lebensdauer des Reglers, sondern verbessert auch seine Gesamtleistungseffizienz.
Die Auswahl der richtigen Kondensatoren trägt dazu bei, Spannungsschwankungen auszugleichen und elektrisches Rauschen zu reduzieren.Der Eingangskondensator sollte nahe am Eingangspin liegen, um Schwingungen zu verhindern, während der Ausgangskondensator die Spannung bei Laständerungen stabilisiert.Kondensatoren mit niedrigem ESR (Äquivalenter Serienwiderstand) sind ideal, da sie eine konstante Spannung und eine schnelle Reaktion aufrechterhalten, insbesondere in empfindlichen Schaltkreisen.
Die Verwendung von Widerständen zur Steuerung des Stromflusses ist eine einfache, aber effektive Designentscheidung.Das Widerstandsnetzwerk zwischen den Ausgangs- und Einstellpins bestimmt die Ausgangsspannung, während strombegrenzende Widerstände sowohl den LM338 als auch die angeschlossenen Geräte schützen.Die richtige Auswahl des Widerstands verhindert eine Überhitzung und sorgt für eine gleichmäßige Leistungsabgabe unter verschiedenen Lastbedingungen.
Überspannungsschutzgeräte (TVS-Dioden oder Zener-Dioden) können den LM338 vor plötzlichen Spannungsspitzen oder Überspannungen schützen.Diese Komponenten absorbieren unerwartete Energiestöße, die durch Schalttransienten oder in der Nähe befindliche induktive Lasten verursacht werden.Ihre Hinzufügung verbessert die Stromkreissicherheit und trägt dazu bei, dass der Regler auch unter rauen elektrischen Umgebungen einen stabilen Betrieb aufrechterhält.
Gute Verkabelungspraktiken machen einen großen Unterschied in der Stromkreisstabilität.Verwenden Sie dicke Drähte für Hochstrompfade und halten Sie die Erdungsverbindungen kurz und direkt.Eine schlechte Erdung kann zu Spannungsabfällen oder Rauschen führen und die Ausgangsgenauigkeit beeinträchtigen.Eine sternförmige Erdungsanordnung – bei der sich alle Erdungen an einem einzigen Punkt treffen – minimiert Störungen und erhöht die Zuverlässigkeit der Schaltung.
Das Hinzufügen von Schutzdioden trägt dazu bei, den LM338 vor Rückspannung oder Rückstrom zu schützen, insbesondere bei Verwendung externer Kondensatoren.Eine Diode zwischen Ausgangs- und Eingangspin verhindert Schäden, wenn die Eingangsspannung plötzlich abfällt, während der Ausgangskondensator geladen wird.Eine weitere Diode zwischen Ausgangs- und Einstellstiften kann die Rückentladung durch den Regler stoppen.
Durch die Kombination dieser Designfaktoren – richtige Kühlung, richtige Wahl des Kondensators, Widerstandsaufbau, Überspannungsschutz, Erdung und Polaritätsschutz – wird sichergestellt, dass der LM338 sicher und effizient arbeitet.Das Befolgen dieser Richtlinien schützt nicht nur das Gerät, sondern verbessert auch die Leistung des gesamten Schaltkreises und macht ihn zuverlässiger für verschiedene Energieregulierungsprojekte.
|
Besonderheit
/ Parameter |
LM338 |
LM317 |
LM7805 |
|
Typ |
Einstellbar
Spannungsregler |
Einstellbar
Spannungsregler |
Feste Spannung
Regler |
|
Ausgangsspannung
Reichweite |
1,2V bis 37V |
1,25 V bis 37 V |
Feste 5V |
|
Maximale Leistung
Aktuell |
5A |
1,5A |
1A |
|
Ausfallspannung
(Typisch) |
1,5V |
2V |
2V |
|
Eingangsspannung
Reichweite |
5V bis 40V |
3V bis 40V |
7V bis 25V |
|
Leistung
Zerstreuung |
Bis zu 50W (mit
Kühlkörper) |
Etwa 20W (mit
Kühlkörper) |
Etwa 15W (mit
Kühlkörper) |
|
Thermische Überlastung
Schutz |
Ja |
Ja |
Ja |
|
Kurzschluss
Schutz |
Ja |
Ja |
Ja |
|
Pin anpassen |
Ja |
Ja |
NEIN |
|
Ausgabetoleranz |
±1 % (typisch) |
±1 % (typisch) |
±4 % (typisch) |
|
Pakettyp |
TO-220, TO-3 |
TO-220, TO-3 |
TO-220, TO-3 |
|
Typisch
Anwendungen |
Hochstrom
Netzteile, Motortreiber |
Einstellbare Leistung
Zubehör, Batterieladegeräte |
Feste 5-V-Logik
Schaltkreise, Mikrocontroller |
|
Hersteller
Beispiele |
Texas
Instrumente, STMicroelectronics, ON Semiconductor |
Texas
Instrumente, ON Semiconductor |
Texas
Instrumente, Fairchild, STMicroelectronics |
• Einstellbares Netzteil – Der LM338 bietet einen stabilen und einstellbaren Spannungsausgang und eignet sich daher ideal für die Versorgung variabler Gleichstromkreise.
• Ladegerät – Bei Batterieladekonfigurationen steuert der LM338 die Ladespannung und den Ladestrom, um ein Überladen zu verhindern.
• Solarstromregler – Der LM338 regelt schwankende Solarpanel-Leistungen und sorgt so für eine gleichmäßige Versorgung von Batterien oder Verbrauchern.
• Motortreiberschaltung – Liefert zuverlässig hohen Strom für Gleichstrommotoren und sorgt so für einen reibungslosen Betrieb unter Last.
• LED-Beleuchtungssteuerung – Die Verwendung des LM338 ermöglicht einen stabilen Stromfluss für LED-Streifen oder -Lampen und vermeidet Flimmern oder Durchbrennen.
• Labor-Elektrogeräte – Bietet eine einstellbare Spannung zum Testen und Prototyping verschiedener elektronischer Projekte.
• Eingebettetes System-Leistungsmodul – Der LM338 stellt sicher, dass Mikrocontroller und Sensoren eine gleichmäßig geregelte Spannung erhalten.
• Audioverstärkerversorgung – Der LM338 sorgt für eine saubere Gleichspannung und reduziert so Rauschen und Verzerrungen in Audioverstärkerschaltungen.
• Industrielle Automatisierungssysteme – Bietet eine dauerhafte Spannungsregelung für Sensoren, Relais und Steuermodule.
• DC-DC-Wandlerdesign – Der LM338 unterstützt eine effiziente Abwärtswandlung und bietet geregelte Spannung für mehrere Geräte.

Konstanter 5-V-Regler
Diese Schaltung verwendet den einstellbaren Spannungsregler LM338, um einen konstanten 5-Volt-Ausgang zu erzeugen.Die Widerstände R1 (270 Ω) und R2 (820 Ω) stellen die Ausgangsspannung nach der Formel V einAUS=1,25V(1+R2/R1)+IADJ R2.Die Kondensatoren C1 und C2 tragen zur Verbesserung der Stabilität und zur Reduzierung der Spannungswelligkeit bei – C1 minimiert das Eingangsrauschen, während C2 das Einschwingverhalten verbessert.Dieser Aufbau ist ideal für die Stromversorgung von Mikrocontrollern, Sensoren und Logikschaltungen, die eine saubere 5-V-Versorgung benötigen.

Regler mit Leitungswiderstand im Ausgangskabel
Bei diesem Design regelt der LM338 die Spannung auch dann, wenn in der Ausgangsleitung ein Widerstand (Rₛ) vorhanden ist.Der Rückkopplungswiderstand R1 (120 Ω) und der einstellbare R2 sorgen für die Spannungsgenauigkeit, indem sie den Spannungsabfall an Rₛ ausgleichen.Diese Konfiguration ist nützlich für Fernerkundungsanwendungen oder Langdrahtverbindungen und stellt sicher, dass die Last trotz Verlusten in der Ausgangsleitung eine konstante Spannung erhält.

Leistungsverstärkerschaltung
Diese Schaltung kombiniert den LM338 mit einem Operationsverstärker (LF351) und einem Transistor (MJ4502) zu einem Hochleistungs-Audioverstärker.Der LM338 stellt eine stabile Versorgungsspannung für den Verstärkerteil bereit und verbessert so die Leistung und Zuverlässigkeit.Der LM395-Transistor hilft bei der Stromregulierung und schützt die Ausgangsstufe, während der große Ausgangskondensator das Signal glättet.Dieses Design zeigt, wie der LM338 Teil komplexer Systeme sein kann, die eine hohe Strom- und saubere Spannungsregelung benötigen, wie z. B. Audio- oder Industrieverstärker.

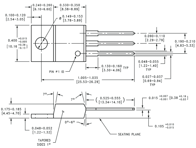
LM338 TO-220 (NDE)

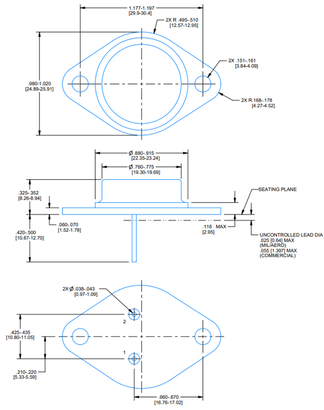
LM338 TO-CAN (NDS)
Der LM338 ist in zwei Hauptgehäusetypen erhältlich: TO-220 (NDE) und TO-CAN (NDS), die jeweils für unterschiedliche Montage- und Leistungsanforderungen ausgelegt sind.
Der TO-220-Gehäuse (10,16 mm × 4,58 mm) ist die am häufigsten in Spannungsreglern verwendete Bauform.Es verfügt über drei Leitungen – Eingang, Ausgang und Einstellung –, die von einem flachen, wärmeleitenden Körper ausgehen.Die hintere Metalllasche fungiert als Kühlkörper und wird häufig an einer größeren Kühlfläche angebracht, um die Wärmeableitung zu unterstützen.Das Diagramm zeigt den genauen Pinabstand, die Leitungsdicke und die Lochgröße, um die Kompatibilität mit Standard-PCB-Layouts und Montagehardware sicherzustellen.
Der TO-CAN-Gehäuse (38,94 mm × 24,89 mm) bietet ein haltbareres, abgedichtetes Metallgehäuse für höhere Zuverlässigkeit in industriellen oder militärischen Umgebungen.Es verfügt über zwei Hauptanschlüsse, die von der Unterseite ausgehen, und einen Metallflansch mit Befestigungslöchern zur festen Befestigung an einem Gehäuse oder Kühlkörper.Die Abmessungen geben den Leitungsdurchmesser, den Lochabstand und die Gesamthöhe an und gewährleisten so die richtige Passform und thermische Leistung.
Überhitzung ist ein häufiges Problem in LM338-Schaltkreisen.Verwenden Sie immer einen geeigneten Kühlkörper und sorgen Sie für eine gute Luftzirkulation um den Regler.Prüfen Sie, ob der Kühlkörper fest sitzt und groß genug für den Laststrom ist.Das Hinzufügen eines kleinen Kühlventilators oder die Verbesserung der Belüftung können ebenfalls dazu beitragen, eine thermische Abschaltung zu verhindern und die Lebensdauer des Reglers zu verlängern.
Wenn der LM338-Ausgang instabil wird, liegt die Hauptursache oft an defekten oder falschen Kondensatoren.Verwenden Sie am Ein- und Ausgang Elektrolytkondensatoren mit niedrigem ESR, um die Spannung konstant zu halten.Ersetzen Sie alte Kondensatoren regelmäßig, da diese mit der Zeit an Effizienz verlieren, was zu Spannungsschwankungen und Rauschen führen kann.
Wenn kein Ausgang vorhanden ist, überprüfen Sie zunächst, ob alle Pins richtig angeschlossen sind: IN zur Versorgung, OUT zur Last und ADJ mit der richtigen Widerstandskonfiguration.Überprüfen Sie mit einem Multimeter den Durchgang auf lockere oder kalte Lötstellen.Selbst eine kleine Unterbrechung kann die ordnungsgemäße Funktion des Reglers beeinträchtigen.
Eine zu große Welligkeit im Ausgang bedeutet eine schlechte Filterung.Versuchen Sie, größere oder zusätzliche Bypass-Kondensatoren in der Nähe des Ausgangspins anzubringen.Durch die Verwendung von Kondensatoren mit niedrigem ESR und die Überprüfung der Lastbedingungen kann die Welligkeit reduziert und die Spannung gleichmäßig gehalten werden.
Wenn die Probleme weiterhin bestehen, sehen Sie sich immer das Datenblatt des LM338 an, um Hinweise zu Pin-Spannung, Stromgrenzen und Wärmewiderstand zu erhalten.
Der LM338 bleibt eine äußerst zuverlässige Wahl für alle, die eine einstellbare Hochstrom-Spannungsregelung benötigen.Sein großer Betriebsbereich, die hervorragende Last- und Leitungsregulierung sowie der robuste Wärme- und Überlastschutz machen es für anspruchsvolle elektronische Projekte geeignet.Bei Verwendung mit dem richtigen Wärmemanagement, der richtigen Kondensatorauswahl und der richtigen Verkabelungsanordnung kann der LM338 auch unter schwierigen Bedingungen eine präzise und konstante Leistungsabgabe liefern.Das Verständnis seiner Designüberlegungen und praktischen Anwendungen gewährleistet eine sichere, effiziente und dauerhafte Leistung in jedem Stromkreis.
Ja.Durch den Anschluss eines festen Widerstands zwischen den Ausgangs- und Einstellpins kann der LM338 als Konstantstromquelle arbeiten.Der Strom wird durch den Widerstandswert nach der Formel I = 1,25 V / R eingestellt.
Der LM338 benötigt eine Eingangsspannung, die mindestens 3 V über der gewünschten Ausgangsspannung liegt, um eine stabile Regelung und einen ordnungsgemäßen Betrieb aufrechtzuerhalten.
Verwenden Sie die Formel Vout = 1,25 × (1 + R2/R1) + Iadj × R2.In den meisten Fällen ist Iadj sehr klein und kann der Einfachheit halber ignoriert werden.
Überhitzung tritt auf, wenn der Laststrom oder der Spannungsabfall am Regler zu hoch ist.Bringen Sie immer einen geeigneten Kühlkörper an und sorgen Sie für eine gute Luftzirkulation, um die Verbindungstemperatur niedrig zu halten.
Bei beiden handelt es sich um einstellbare Regler, aber der LM338 unterstützt bis zu 5 A, während der LM317 nur 1,5 A verarbeitet. Der LM338 wird für Anwendungen mit höherem Strom bevorzugt.
Fügen Sie eine Diode zwischen den Ausgangs- und Eingangspins und eine weitere zwischen den Ausgangs- und Einstellpins hinzu.Diese verhindern Schäden, wenn die Eingangsspannung abfällt oder sich umkehrt.
Ja, aber Sie müssen an jedem Ausgang Ballastwiderstände (ca. 0,1 Ω) verwenden, um die Stromaufteilung auszugleichen und eine Überlastung eines Reglers zu verhindern.
DIODE GEN PURP 200V 1A DO214AC
DC DC CONVERTER 3.3V 66W
IC MCU 8BIT 16KB FLASH 48TQFP
DC DC CONVERTER 12V 3W
DC DC CONVERTER 24V 50W
SC604AIMLTR Semtech
OKI QFP
HCF4011BE ST
MICRONAS QFP64
SMBUS TEMPERATURE MONITOR
INFINEON BGA





