Deutsch
Zeit: 2025/10/21
Durchsuchen: 487

Der STM32H7 ist ein leistungsstarker 32-Bit-Mikrocontroller von STMicroelectronics, der auf dem leistungsstarken ARM® Cortex®-M7-Kern basiert.Er arbeitet mit Geschwindigkeiten von bis zu 480 MHz und liefert eine außergewöhnliche Rechenleistung, wodurch er sich für anspruchsvolle eingebettete Anwendungen eignet, die sowohl Geschwindigkeit als auch Präzision erfordern.Mit bis zu 2 MB Flash und 1 MB SRAM sorgt der STM32H7 für schnelle Datenverarbeitung und nahtloses Multitasking.
Über ihre Geschwindigkeit hinaus umfasst diese Serie erweiterte Funktionen wie Hardware-Gleitkommaeinheiten (FPU), DSP-Anweisungen und robuste Sicherheitsmodule für eine sichere Datenverarbeitung.Sein umfangreicher Peripheriesatz – USB, Ethernet, CAN, ADCs und mehrere Kommunikationsschnittstellen – macht ihn ideal für industrielle Steuerungen, IoT-Geräte, Motorantriebe, medizinische Systeme und High-End-Audioanwendungen.
Wenn Sie am Kauf des STM32H7-Mikrocontrollers interessiert sind, können Sie uns gerne bezüglich Preis und Verfügbarkeit kontaktieren.
|
Serie
/ Unterfamilie |
Kern
Konfiguration |
Max
Uhr / Leistung |
Blitz
/ SRAM-Highlights |
|
STM32H723 /
STM32H733 |
Single-Core
Cortex-M7 |
Bis zu ~550 MHz |
Blitzen Sie bis zu ~1
MB;SRAM ~564 KB |
|
STM32H725 /
STM32H735 / STM32H730 |
Single-Core
Cortex-M7 |
Bis zu ~600 MHz |
Blitzen Sie bis zu ~1
MB;SRAM ~564 KB |
|
STM32H745 /
STM32H755 |
Dual-Core
(Cortex-M7 + Cortex-M4) |
M7 ~480 MHz + M4
~240 MHz |
Blitzen Sie bis zu ~2
MB;SRAM bis zu ~1 MB |
|
STM32H747 /
STM32H757 |
Dual-Core
(Cortex-M7 + Cortex-M4) |
M7 ~480 MHz + M4
~240 MHz |
Ähnlich
H745/H755 |
|
STM32H7R3 /
STM32H7S3 |
Single-Core
Cortex-M7 |
Bis zu ~600 MHz |
Blitz kleiner
(z. B. 64 kB Boot-Flash), aber hohe Leistung |
|
STM32H7R7 /
STM32H7S7 |
Single-Core
Cortex-M7 |
Bis zu ~600 MHz |
Blitzen Sie bis zu ~2
MB;SRAM bis zu ~1 MB |


Das STM32H7-Funktionsblockdiagramm zeigt die interne Struktur und Funktionsweise des STM32H7-Mikrocontrollers und verdeutlicht, wie seine Subsysteme miteinander verbunden und kommunizieren. Im Zentrum des Diagramms befindet sich die ARM Cortex-M7-CPU, die als Kernprozessor für die Ausführung von Programmanweisungen verantwortlich ist.Die Kommunikation erfolgt über eine 32-Bit-AHB-Busmatrix, die die CPU mit wichtigen Peripheriegeräten und Speicherblöcken verbindet und so einen schnellen Datenfluss und eine effiziente Verarbeitung gewährleistet.
Das Speichersystem umfasst eingebetteten Flash-Speicher für die Programmspeicherung und SRAM für die Datenverarbeitung.Spezielle Speichereinheiten wie TCM (Tightly Coupled Memory) und Backup-SRAM sorgen außerdem für eine schnellere Ausführung und Datenaufbewahrung in Energiesparmodi.
Peripherieblöcke wie UARTs, SPIs, I²Cs, ADCs, DACs und Timer ermöglichen die Interaktion mit externen Sensoren, Aktoren und Kommunikationsschnittstellen.Fortschrittliche Peripheriegeräte wie Ethernet, USB und SDMMC verbessern die Konnektivität für Industrie- und Multimediaanwendungen.
Die DMA-Controller (Direct Memory Access) ermöglichen schnelle Datenübertragungen zwischen Speicher und Peripheriegeräten, ohne die CPU zu belasten, während RCC (Reset and Clock Control) die Stromverteilung und Timing-Synchronisierung über alle Module hinweg verwaltet. Der untere Abschnitt umfasst Energieverwaltungs- und Spannungsregulierungseinheiten, die einen stabilen Betrieb und Energieeffizienz gewährleisten.

|
Stift
NEIN. |
Stift
Name |
Hauptsächlich
Funktion/Beschreibung |
|
1 |
PE2 |
E/A, ADC, Timer,
Alternative Funktion |
|
2 |
PE3
|
I/O, ADC-Eingang,
Timer-Kanal |
|
3 |
PE4 |
E/A, SPI4_NSS,
Timer-Eingang |
|
4 |
PE5 |
E/A, SPI4_MISO,
Timer-Kanal |
|
5 |
PE6 |
E/A, SPI4_MOSI,
Alternative Funktion |
|
6 |
VBAT |
Backup-Batterie
liefern |
|
7 |
PC13 |
RTC, Manipulation, I/O |
|
8 |
PC14-OSC32_IN |
Extern 32.768
kHz-Quarzeingang |
|
9 |
PC15-OSC32_OUT |
Extern 32.768
kHz-Quarzausgang |
|
10 |
PH0-OSC_IN |
Hohe Geschwindigkeit
Quarzoszillatoreingang |
|
11 |
PH1-OSC_OUT |
Hohe Geschwindigkeit
Kristalloszillatorausgang |
|
12 |
NRST |
Eingang zurücksetzen
(aktiv niedrig) |
|
13 |
PC0 |
I/O, ADC-Eingang,
Alternative Funktion |
|
14 |
PC1 |
I/O, ADC-Eingang |
|
15 |
PC2 |
I/O, ADC-Eingang |
|
16 |
PC3 |
I/O, ADC-Eingang |
|
17 |
VSSA |
Analoge Masse |
|
18 |
VDDA |
Analoge Stromversorgung
liefern |
|
19 |
PA0 |
I/O, ADC-Eingang,
UART2_CTS |
|
20 |
PA1 |
I/O, ADC-Eingang,
UART2_RTS |
|
21 |
PA2 |
I/O, ADC-Eingang,
UART2_TX |
|
22 |
PA3 |
I/O, ADC-Eingang,
UART2_RX |
|
23 |
VSS |
Boden |
|
24 |
VDD |
Digitale Macht
liefern |
|
25 |
PA4 |
E/A, SPI1_NSS,
DAC_OUT1 |
|
26 |
PA5 |
E/A, SPI1_SCK |
|
27 |
PA6 |
E/A, SPI1_MISO |
|
28 |
PA7 |
E/A, SPI1_MOSI |
|
29 |
PC4 |
I/O, ADC-Eingang |
|
30 |
PC5 |
I/O, ADC-Eingang |
|
31 |
PB0 |
I/O, ADC-Eingang,
Timer |
|
32 |
PB1 |
I/O, ADC-Eingang,
Timer |
|
33 |
PB2 |
E/A, Boot1 |
|
34 |
PE7 |
E/A, Alternativ
Funktion |
|
35 |
PE8 |
E/A, Alternativ
Funktion |
|
36 |
PE9 |
E/A, Timer |
|
37 |
PE10 |
E/A, Timer |
|
38 |
PE11 |
E/A, SPI4_NSS,
Timer |
|
39 |
PE12 |
E/A, SPI4_SCK |
|
40 |
PE13 |
E/A, SPI4_MISO |
|
41 |
PE14 |
E/A, SPI4_MOSI |
|
42 |
PE15 |
E/A |
|
43 |
PB10 |
E/A, I2C2_SCL,
USART3_TX |
|
44 |
PB11 |
E/A, I2C2_SDA,
USART3_RX |
|
45 |
VCAP1 |
Intern
Reglerkondensator |
|
46 |
VSS |
Boden |
|
47 |
VDD |
Stromversorgung |
|
48 |
PB12 |
E/A, SPI2_NSS,
I2C2_SMBA |
|
... |
... |
... |
|
176 |
PG15 |
E/A, Alternativ
Funktion |
• Hochgeschwindigkeitskern - Der STM32H7 läuft auf einem Arm® Cortex®-M7-Kern mit bis zu 480 MHz, wobei ausgewählte Modelle über ein Dual-Core-Setup (Cortex®-M7 + M4) für schnelleres Multitasking und optimierte Leistung verfügen.
• Großer Speicher und schnelle Verarbeitung - Es bietet bis zu 2 MB Flash und 1 MB SRAM mit Caches und TCM-Speicher und sorgt so für schnellen Datenzugriff und reibungslose Echtzeitausführung.FPU- und DSP-Unterstützung ermöglichen eine effiziente Signal- und Steuerungsverarbeitung.
• Umfangreiche Konnektivität - Zu den Schnittstellen gehören USB OTG HS/FS, Ethernet, SPI, SDIO und Quad-SPI, was eine schnelle und flexible Kommunikation mit Sensoren, Displays und Peripheriegeräten ermöglicht.
• Erweiterte Analog- und Timingfunktionen - Ausgestattet mit 16-Bit-ADCs, DACs und Komparatoren gewährleistet der STM32H7 eine genaue Signalsteuerung.Dank der PWM- und Timer-Einheiten ist es ideal für präzise Motor- und Leistungsanwendungen.
• Sicher und energieeffizient - Integrierte AES-, SHA- und RNG-Hardwarebeschleuniger schützen Daten, während Energiesparmodi und Spannungsskalierung die Energieeffizienz verbessern.
• Grafikunterstützung - Der Chrom-ART Accelerator™ und der TFT-Controller sorgen für eine reibungslose GUI-Leistung für displaybasierte Systeme.
• Entwickler-Ökosystem - Tools wie STM32CubeMX, STM32CubeIDE und HAL/LL-Treiber vereinfachen Einrichtung, Codierung und Debugging und ermöglichen eine schnellere Projektentwicklung.
|
Kategorie |
Spezifikation |
|
Lebenszyklusstatus |
Aktiv |
|
Montageart |
Oberflächenmontage |
|
Oberflächenmontage |
Ja |
|
Anzahl der I/Os |
140 |
|
Verpackung |
Tablett |
|
JESD-609-Code |
e3 |
|
Feuchtigkeit
Empfindlichkeitsstufe (MSL) |
3 (168 Stunden) |
|
Terminal-Finish |
Mattes Zinn (Sn) |
|
Terminalformular |
Möwenflügel |
|
Versorgungsspannung |
3,3 V |
|
Frequenz |
400 MHz |
|
Basisteilenummer |
STM32H753 |
|
Speichergröße
(Blitz) |
2 MB |
|
RAM-Größe |
1 MB × 8 |
|
Mikrocontroller
Typ |
Mikrocontroller,
RISC |
|
Peripheriegeräte |
Brown-out
Erkennen/Zurücksetzen, DMA, I2S, LCD, POR, PWM, WDT |
|
Kerngröße |
32-Bit |
|
Konnektivität |
CANbus, EBI/EMI,
Ethernet, I2C, IrDA, LINbus, MDIO, MMC/SD/SDIO, QSPI, SAI, SPDIF, SPI, SWPMI,
UART/USART, USB, OTG |
|
Hat ADC |
Ja |
|
Datenbusbreite |
32-Bit |
|
On-Chip-Programm
ROM-Breite |
8-Bit |
|
Anzahl der UART
Kanäle |
9 |
|
Max Junction
Temperatur (Tj) |
125°C |
|
Anzahl der I2C
Kanäle |
4 |
|
Anzahl der SPI
Kanäle |
6 |
|
Anzahl
Ethernet-Kanäle |
1 |
|
RoHS-Status |
RoHS3-konform |
|
Fabrikleiter
Zeit |
12 Wochen |
|
Paket/Koffer |
176-LQFP |
|
Datenkonverter |
A/D 3×16-Bit,
D/A 2×12-Bit |
|
Betrieb
Temperatur |
-40°C bis +85°C
(TA) |
|
Serie |
STM32H7 |
|
Teilestatus |
Aktiv |
|
Anzahl
Kündigungen |
176 |
|
Terminal
Position |
Quad |
|
Spitzen-Reflow
Temperatur |
Nicht angegeben |
|
Terminalabstand |
0,5 mm |
|
Zeit @ Peak
Reflow-Temperatur |
Nicht angegeben |
|
Schnittstelle |
CAN, Ethernet,
I2C, I2S, IrDA, LIN, SMBus, SPI, UART, USART, USB |
|
Oszillatortyp |
Intern |
|
Spannungsversorgung
(Vcc/Vdd) |
1,62 V–3,6 V |
|
Kernprozessor |
ARM® Cortex®-M7 |
|
Programmspeicher
Typ |
Blitz |
|
Programmspeicher
Größe |
2 MB (2 MB × 8) |
|
Bitgröße |
32-Bit |
|
DMA-Kanäle |
Ja |
|
Anzahl
Timer/Zähler |
20 |
|
Anzahl der A/D
Konverter |
3 |
|
Anzahl der ADC
Kanäle |
36 |
|
Anzahl der PWM
Kanäle |
8 |
|
Ambiente
Temperaturbereich hoch |
85°C |
|
Anzahl der USB
Kanäle |
2
|
|
Höhe |
1,6 mm |
Hochleistungsfähiger ARM Cortex-M7-Kern mit bis zu 480 MHz für schnelle Datenverarbeitung.
Die Dual-Core-Architektur (Cortex-M7 + Cortex-M4) ermöglicht in ausgewählten Varianten eine parallele Ausführung in Echtzeit.
Großer On-Chip-Flash (bis zu 2 MB) und SRAM (bis zu 1 MB) für speicherintensive Anwendungen.
Umfangreiches Set an Peripheriegeräten, darunter Ethernet, USB OTG, CAN-FD, SDMMC und mehrere UART/SPI/I²C-Schnittstellen.
Erweiterte analoge Funktionen wie 16-Bit-ADCs und DACs für präzise Signalmessung.
Hervorragende Unterstützung für DSP- und Gleitkommaeinheiten, ideal für Steuerungs- und Signalverarbeitungsanwendungen.
Hochsicherheitsfunktionen wie Hardwareverschlüsselung (AES, SHA), sicherer Start und Speicherschutz.
Energiesparmodi und flexibles Taktmanagement verbessern die Energieeffizienz.
Breite Ökosystemunterstützung: STM32CubeMX, HAL-Bibliotheken und STM32CubeIDE für einfache Entwicklung.
Höhere Kosten im Vergleich zu STM32-Familien der unteren Preisklasse (z. B. F1-, F4-Serie).
Komplexe Architektur erhöht die Lernkurve für Anfänger.
Im Vollleistungsmodus ist der Stromverbrauch höher.
Bei einigen Paketen ist die Pin-Verfügbarkeit für große Peripheriesätze begrenzt.
Erfordert aufgrund der hohen Betriebsgeschwindigkeit ein sorgfältiges PCB-Layout und eine sorgfältige Entkopplung.
Nicht ideal für extrem stromsparende oder einfache eingebettete Aufgaben, bei denen kleinere MCUs ausreichen.


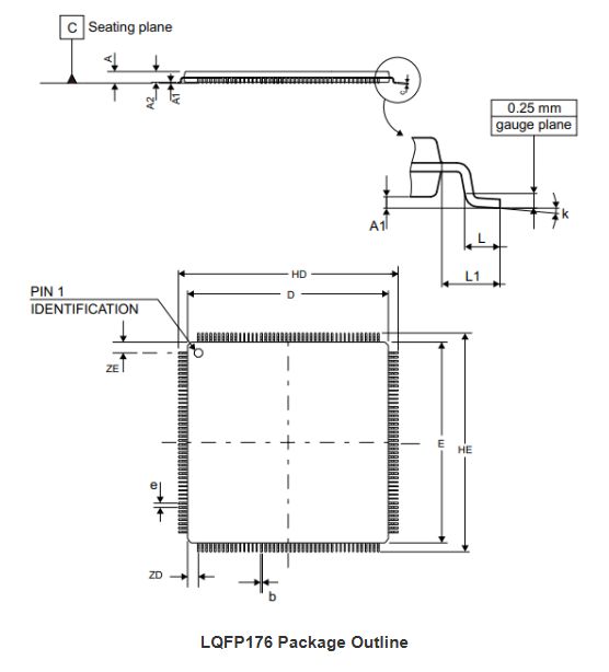
Der STM32H7-Mikrocontroller wird in einem geliefert 176-poliges LQFP-Gehäuse mit einem kompakten und symmetrischen quadratischen Grundriss.Der Gehäusekörper misst auf jeder Seite 21,8 mm, während die Gesamtbreite einschließlich der Anschlüsse 26,7 mm beträgt.Er verfügt über einen Anschlussabstand von 0,5 mm und gewährleistet so eine präzise Ausrichtung der Stifte beim Feinlöten.Jeder Anschluss ist etwa 1,2 mm lang und 0,3 mm breit und bietet stabile elektrische Verbindungen, wenn er auf einer Leiterplatte montiert wird.Die Gesamthöhe des Gehäuses beträgt etwa 1,2 mm, wodurch das Profil für platzbeschränkte Anwendungen niedrig bleibt.Diese Abmessungen garantieren eine zuverlässige Platzierung, hervorragende Lötbarkeit und Kompatibilität mit automatisierten Montageprozessen.
Die STM32H7-Serie wird hergestellt von STMicroelectronics, ein globales Halbleiterunternehmen mit Hauptsitz in Genf, Schweiz.STMicroelectronics wurde 1987 durch den Zusammenschluss von SGS Microelettronica und Thomson Semiconductors gegründet und ist bekannt für sein umfassendes Fachwissen in der Entwicklung und Produktion von Mikrocontrollern, Sensoren, Leistungselektronik und analogen ICs.Das Unternehmen betreibt weltweit große F&E-Zentren und Fertigungsanlagen und gewährleistet so hohe Standards an Qualität, Zuverlässigkeit und Innovation.Das Engagement von ST für Energieeffizienz und eingebettete Intelligenz treibt die Entwicklung innovativer Lösungen wie der STM32-Familie voran, die Anwendungen von der industriellen Automatisierung und Automobilsystemen bis hin zu Unterhaltungselektronik und IoT-Geräten bedient.
Zusammenfassend lässt sich sagen, dass der STM32H7 eine Flaggschiff-Mikrocontroller-Serie ist, die Hochgeschwindigkeitsverarbeitung, robuste Sicherheit und umfassende Peripherieunterstützung kombiniert, um den Anforderungen der anspruchsvollen eingebetteten Systeme von heute gerecht zu werden.Aufgrund seines ausgewogenen Verhältnisses von Leistung und Effizienz eignet es sich für eine Vielzahl von Branchen, von der industriellen Steuerung bis zur Unterhaltungselektronik.Obwohl es eine steilere Lernkurve und höhere Kosten als einfachere MCUs mit sich bringt, ist es aufgrund seiner unübertroffenen Leistung und Ökosystemunterstützung die erste Wahl für jedermann.Dank der kontinuierlichen Innovation von STMicroelectronics bleibt die STM32H7-Familie eine führende Lösung für Embedded-Design der nächsten Generation.
Der STM32H7 läuft auf einem Arm® Cortex®-M7-Kern, der mit bis zu 480 MHz getaktet ist, mit Cache, TCM-Speicher und Dual-Core-Optionen.Diese Funktionen steigern die Verarbeitungsgeschwindigkeit und Echtzeit-Reaktionsfähigkeit im Vergleich zu anderen STM32-Familien erheblich.
Ja.Der STM32H7 unterstützt leichte KI- und DSP-Workloads über seine FPU- und CMSIS-NN-Bibliotheken und ermöglicht so geräteinterne Inferenz für Anwendungen wie Spracherkennung oder Sensordatenklassifizierung.
Der Stromverbrauch variiert je nach Modus, bietet jedoch mehrere Optionen mit geringem Stromverbrauch.Entwickler können den Verbrauch durch dynamische Spannungsskalierung, Schlafmodi und peripheres Clock-Gating reduzieren.
Ja.Es unterstützt externes Flash, SRAM und SDRAM über flexible Speicherschnittstellen (FMC, QSPI oder Octo-SPI), ideal für große Datenmengen oder grafikintensive Anwendungen.
Der STM32H7 verfügt über integrierte AES-, SHA- und RNG-Hardwarebeschleuniger, sicheres Booten und Speicherschutzeinheiten, wodurch er zuverlässig für sichere Kommunikation und Datenschutz ist.
STM32H7 werden aufgrund ihrer hohen Leistung und umfangreichen Konnektivitätsoptionen häufig in der industriellen Automatisierung, Motorsteuerung, medizinischen Geräten, Audiosystemen und IoT-Edge-Computing eingesetzt.
CAP CER 3.3PF 100V C0G/NP0 0603
TRANS PNP 25V 5A DPAK
SCR MODULE 1.6KV 260A Y4
IC ADC/DAC 24BIT 1K 64TQFP
HALF BRIDGE BASED PERIPHERAL DRI
DC DC CONVERTER 48V 150W
DC DC CONVERTER 2V 10W
GT-48320A-B-5 MARVELL
TPIC1407DFDRG4 TI/BB
OKI BGA
MAX1489CSD MAXIM
AM29LV160BD-90EI AMD




