Alle Kategorien

Wagen 0 Artikel

Einkaufswagen 0 Artikel

MFR -Teil # Anzahl
üBERGEBEN (0)

Sprache auswählen

Aktuelle Sprache

Deutsch

  • English
  • Deutsch
  • Italia
  • Français
  • 한국의
  • русский
  • Svenska
  • Nederland
  • español
  • Português
  • polski
  • Suomi
  • Gaeilge
  • Slovenská
  • Slovenija
  • Čeština
  • Melayu
  • Magyarország
  • Hrvatska
  • Dansk
  • românesc
  • Indonesia
  • Ελλάδα
  • Български език
  • Afrikaans
  • IsiXhosa
  • isiZulu
  • lietuvių
  • Maori
  • Kongeriket
  • Монголулс
  • O'zbek
  • Tiếng Việt
  • हिंदी
  • اردو
  • Kurdî
  • Català
  • Bosna
  • Euskera
  • العربية
  • فارسی
  • Corsa
  • Chicheŵa
  • עִבְרִית
  • Latviešu
  • Hausa
  • Беларусь
  • አማርኛ
  • Republika e Shqipërisë
  • Eesti Vabariik
  • íslenska
  • မြန်မာ
  • Македонски
  • Lëtzebuergesch
  • საქართველო
  • Cambodia
  • Pilipino
  • Azərbaycan
  • ພາສາລາວ
  • বাংলা ভাষার
  • پښتو
  • malaɡasʲ
  • Кыргыз тили
  • Ayiti
  • Қазақша
  • Samoa
  • සිංහල
  • ภาษาไทย
  • Україна
  • Kiswahili
  • Cрпски
  • Galego
  • नेपाली
  • Sesotho
  • Тоҷикӣ
  • Türk dili
  • ગુજરાતી
  • ಕನ್ನಡkannaḍa
  • मराठी
ZuhauseBlogKomparatorschaltungen mit Op-Amps: Design-Tipps, Nachteile und Anwendungen

Komparatorschaltungen mit Op-Amps: Design-Tipps, Nachteile und Anwendungen

Zeit: 2025/07/10

Durchsuchen: 4,216

Operative Verstärker (OP-AMPS) sind vielseitige Komponenten, die häufig zur Signalverstärkung verwendet werden, aber wussten Sie, dass sie auch als Spannungsvergleiche fungieren können?In diesem Artikel untersuchen wir, wie sich Op-Ampere bei Verwendung als Vergleicher, ihre Vorteile und Einschränkungen verhalten und warum engagierte ICs häufig eine bessere Wahl für Präzisionsanwendungen sind.

Katalog

Op-Amp Comparator

Abbildung 1. Op-Amp-Vergleicher

Was ist ein Op-Am-Vergleicher?

Ein Op-Am-Vergleicher ist eine Schaltung, die im Open-Loop-Modus einen Betriebsverstärker verwendet, um zwei Eingangsspannungen zu vergleichen.Wenn die Spannung am nicht invertierenden Eingang (+) höher ist als die Spannung am invertierenden Eingang (-), schaltet der Ausgang in einen hohen Zustand.Wenn der invertierende Eingang höher ist, sinkt der Ausgang auf einen niedrigen Zustand.

Obwohl OP-AMPs als Komparatoren in grundlegenden Setups fungieren können, werden sie jedoch nicht speziell für diesen Zweck entwickelt.Ihre langsamere Reaktionszeit, die Tendenz, am Ausgang zu sättigen, und das Fehlen einer eingebauten Hysterese macht sie weniger ideal für Hochgeschwindigkeits- oder Präzisionsschaltanwendungen.

Wie funktionieren Op-Ampere als Komparatoren?

Im Vergleichsmodus arbeitet der OP-Ampere außerhalb seines linearen Bereichs.Sogar ein geringfügiger Spannungsunterschied zwischen Eingängen führt dazu, dass der Ausgang in Richtung der Versorgungsschiene schwingt.Dieser scharfe Übergang ermöglicht eine grundlegende Spannungserkennung, führt jedoch mehrere Einschränkungen ein:

• langsame Erholung von der Sättigung

• Ausgabe, die möglicherweise keine echten Logikpegel erreicht

• mögliche Instabilität in verrückten Umgebungen

Unterschiede zwischen Op-Ampere und dedizierten Komparatoren

Besonderheit
Op-Amper als Vergleicher
Dedizierter Vergleicher
Geschwindigkeit
Aufgrund der Sättigung langsamer
Schnelles Schalten ohne Verzögerung
Hysterese
Muss extern hinzugefügt werden
Oft eingebaut
Ausgabe auf Logikebene
Möglicherweise entspricht keine digitalen Schwellenwerte
Für die digitale Kompatibilität entwickelt
Eingabebereich
Anfällig für Verriegelung
Verarbeitet schnelle Eingangsübergänge
Stromverbrauch
Höher beim gesättigten
Niedriger ruhender Strom

Wann verwenden Sie einen Op-Amper als Komparator?

Die Verwendung eines Op-Ampere als Komparator ist nur in einfachen Anwendungen mit niedriger Geschwindigkeit geeignet, bei denen Präzision und schnelle Reaktion nicht gefährdet sind.Es kann unter folgenden Bedingungen eine praktische Wahl sein:

1. Timing ist nicht wichtig: Die Schaltung verlässt sich nicht auf schnelle Schalten oder präzise Verzögerungen.

2. Eingangssignale ändern sich langsam: Allmähliche Übergänge verringern das Risiko einer Instabilität oder Schwingung.

3. Die Ausgangsspannungsniveaus sind mit der nachgelagerten Logik kompatibel: Die Ausgabe des Operationsverstärkers muss nahe genug an die erforderlichen logischen hohen und niedrigen Werte schwingen.

4. Externe Hysterese wird hinzugefügt: Die Einführung positiver Feedback hilft, die Ausgabe in lauten Umgebungen zu stabilisieren.

Für Anwendungen, die hohe Geschwindigkeit, Genauigkeit, Rail-to-Rail-Logikpegel oder robuste Geräuschimmunität erfordern, ist ein dedizierter Komparator jedoch eine bessere Option.

Vergleichsmerkmale

Besonderheit
Beschreibung
Anwendungsvorteil
Rail-to-Rail-Eingänge/-ausgänge
Unterstützt den vollständigen Versorgungsbereich für beide Eingaben Erfassungs- und Ausgangsschwung.
Ermöglicht genaue Vergleiche und Ausgänge auf Logikebene in Niederspannungssystemen.
Niedrige Offset -Spannung
Minimiert die Differenz der Eingangsspannung erforderlich, um eine Ausgangsänderung auszulösen.
Verbessert die Genauigkeit der Präzision Anwendungen, insbesondere in der Nähe von Schwellenwert.
Niedriger Versorgungsstrom
Arbeitet mit minimalem Stromverbrauch.
Ideal für batteriebetriebene und immer on Systeme.
Mehrere Kanäle
Kombiniert zwei oder mehr Komparatoren in a Single IC -Paket.
Speichert Brettraum, vereinfacht das Layout und vereinfacht Unterstützt die Erkennung von Mehrschwellenwert in kompakten Konstruktionen.

Hysterese in Komparatorschaltungen

Hysteresis in Comparator Circuits

Abbildung 2. Hysterese in Vergleichskreisen

Die Hysterese führt zu einem kleinen Spannungsunterschied zwischen den steigenden und fallenden Schwellenwerten und verhindert, dass der Ausgang von geringfügigen Eingangsschwankungen umschaltet.Dies stabilisiert das Vergleichsverhalten in verrauschten oder sich langsam ändernden Signalumgebungen.

Wichtige Vorteile der Hysterese:

• Rauschenimmunität: Filtern Sie geringfügige Störungen heraus, die zu einem falschen Wechsel führen können.

• Reduziertes Geschwätz: Verhindert das schnelle Umschalten in der Nähe der Schwellenspannung.

• Stabile Antwort: Behält die konsistente Ausgabe mit allmählichen Eingangsänderungen bei.

Die Hysterese funktioniert ähnlich wie ein Schmitt -Auslöser und wird üblicherweise in:

• Debouncing wechseln

• Analog-Digital-Signalkonditionierung

• Wellenform -Generierung und -Timing -Schaltungen

Insgesamt verbessert die Hysterese die Zuverlässigkeit der Vergleicher und sorgt für saubere, vorhersehbare Übergänge.

Gemeinsame Vergleichsanwendungen

Komparatoren werden in Schaltungen verwendet, bei denen Entscheidungen auf der Grundlage der Spannungsniveaus getroffen werden müssen.Sie werden üblicherweise zum Erkennen von Schwellenwerten, zur Gestaltung von Signalen und zum Umwandeln analogen Verhaltens in digitale Logik verwendet.

Threshold Detectors

Abbildung 3. Schwellenwertdetektoren

• Schwellenwertdetektoren: Wird verwendet, um eine Schaltung zu aktivieren oder zu deaktivieren, wenn die Eingangsspannung einen vordefinierten Schwellenwert überschreitet.Häufig bei der Überwachung der Batterie, der Überspannung/Unterspannungsschutz und Alarmsystemen.

Zero-Cross Detectors

Abbildung 4. Null-Cross-Detektoren

• Null-Cross-Detektoren: Identifizieren Sie den Punkt, an dem ein AC -Signal durch Null -Volt übergeht.Dies ist nützlich für Phasenverschlüsse, Timing-Synchronisation und motorische Steuerungsanwendungen.

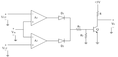
Window Comparators

Abbildung 5. Fenstervergleiche

• Fenstervergleiche: Überwachen Sie, ob ein Signal in einem definierten Spannungsbereich bleibt, indem Sie zwei Komponatoren kombinieren.Nützlich bei der Temperaturüberwachung, der Überwachung der Stromversorgung und der Validierung des Analogbereichs.

Level Shifters

Abbildung 6. Levelschieber

• Level Shifters: Konvertieren Sie unterschiedliche analoge Eingangsniveaus in saubere digitale Signale, die mit der Logikschaltung kompatibel sind.Diese werden häufig in Sensorschnittstellen und Datenerfassungssystemen gefunden.

Oscillators

Abbildung 7. Oszillatoren

• Oszillatoren und Timer: In Kombination mit passiven Komponenten können Komponenten quadratische Wellenformen oder präzise Zeitlimpulse erzeugen.Dies macht sie für einfache Uhrengeneratoren und Impulsbreitensteuerungsschaltungen geeignet.

Nachteile der Verwendung von Op-Amps als Vergleicher

Während OP-Ampere den Basisspannungsvergleich verarbeiten können, werden sie nicht für Hochgeschwindigkeits- oder Präzisionsschaltungen erstellt.Mit ihnen als Vergleicher führt mehrere Einschränkungen ein:

• langsame Erholung von der Sättigung: OP-Ampere schwingen oft vollständig in die Versorgungsschienen und dauern länger zurück, um die Reaktionszeit zu verlangsamen.

• Inkompatible Ausgangsstufen: Viele OP-AMPs können keine Standardausgänge auf Logikebene erzeugen, insbesondere bei Einzelaufträgen, sodass digitale Schnittstellen unzuverlässig sind.

• Risiko eines Verrückten oder Schadens: Ohne Input-Schutz kann übermäßiger Overdrive ein Verriegelungs- oder Wärmespannung verursachen, was sich auf Stabilität und Sicherheit auswirkt.

• Erhöhter Stromverbrauch: Gesättigte Op-Ampere ziehen mehr Strom und erzeugen mehr Wärme, wodurch die langfristige Zuverlässigkeit verringert wird.

Abschluss

Während OP-AMPs für grundlegende Vergleichsaufgaben angepasst werden können, machen ihre inhärenten Einschränkungen, wie z. B. langsame Sättigungswiederherstellung und instabile Ausgangspegel, für Hochgeschwindigkeits- oder Rausch-sensitive Anwendungen weniger geeignet.Speziell für den schnellen Spannungsvergleich entwickelt und bietet eine bessere Leistung, logische Kompatibilität und Zuverlässigkeit.Durch das Verständnis der wichtigsten Funktionen wie Hysterese, Ausgangstyp und Eingangsspannungsbereich können Sie sicher den richtigen Komparator für Ihr Design auswählen.Für die besten Ergebnisse folgen Sie immer gute Designpraktiken und entsprechen Ihrer Komponentenauswahl mit den Anforderungen an die Präzisions-, Geschwindigkeits- und Rausch -Toleranz -Anforderungen Ihres Stromkreises.Passen Sie immer Ihre Komparatorauswahl an die Geschwindigkeit, Genauigkeit und Rauschumgebung Ihrer Anwendung an






Häufig gestellte Fragen [FAQ]

1. Kann ich einen Op-Amper als Komparator verwenden?

Nicht alle Op-Ampere sind als Komparatoren geeignet.Während die meisten grundlegende Vergleiche durchführen können, können OP-AMPS mit langsamen Trefferraten, hohe Ausgangsimpedanz oder begrenzter Eingangsbereich zu einer schlechten Schaltleistung oder einer schlechten Schaltleistung führen.

2. Was ist das Hauptrisiko für die Verwendung eines Op-Ampere anstelle eines Komparators?

Das größte Risiko ist eine verzögerte Reaktion aufgrund der Ausgangssättigung, die zu langsamen Umschaltungen, verpassten Ereignissen oder Logikfehlern führen kann, insbesondere in schnellen oder kritischen Zeitschaltungen.

3. Wie füge ich einer Op-Am-Vergleichs-Schaltung Hysterese hinzu?

Sie können eine Hysterese hinzufügen, indem Sie positives Feedback einführen, typischerweise einen Widerstand zwischen Ausgang und nicht invertierender Eingabe.Dies schafft zwei Schaltschwellen, wodurch die Geräuschimmunität verbessert wird.

4. Warum haben Komparatoren oft Open-Drain-Ausgänge?

Open-Drain-Ausgänge ermöglichen den Komparator mit mehreren Spannungsstufen oder in kabelgebundenen und logischen Konfigurationen.Sie reduzieren auch die Ausgangsbeständigkeit in gemeinsamen Signallinien.

5. Was ist der Unterschied zwischen Rail-to-Rail-Eingabe und Ausgabe in den Komparatoren?

Rail-to-Rail-Eingang bedeutet, dass der Komparator Spannungen in der Nähe von beiden Versorgungsschienen erfassen kann.Die Ausgabe von Rail-to-Rail kann Signale in der Nähe von 0 V und VCC anführen, um die volle digitale Kompatibilität in Niederspannungssystemen zu gewährleisten.

Verwandter Artikel

Online -RFQ -Einreichungen: Schnelle Antworten, bessere Preise!

RFQ